76301 Замок врезной ЗВ8-8У/13 (КЛП5-85).У2 Просам СНЯТ С ПРОИЗВОДСТВА
Просам 76301
СНЯТ С ПРОИЗВОДСТВА
См. аналоги: Просам 76300 , Просам 73100.
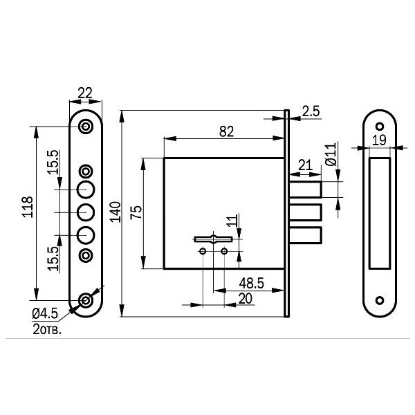
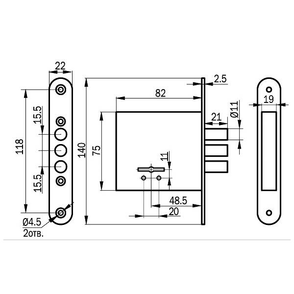
Замок врезной Просам 76301 ЗВ8-8У/13 (КЛП5-85).У2 - восьмисувальдный корпус замка для деревянных или металлических дверхей, толщина полотна которых 40-50 мм.
Корпус врезного замка Просам 76301 ЗВ8-8У/13 (КЛП5-85).У2 является универсальным, так как может устанавливаться как в двери правого или левого открывания. Модель врезного замка 76301 Просам комплектуется 3 или 5 стальными ключами, открывается и закрывается изнутри и снаружи ключом.
Замок дверной ЗВ8-8У выпускается в двух исполнениях: с прямоугольным засовом ЗВ8-8У/0 и с засовом из трех стержней круглого сечения ЗВ8-8У/1. Покрытие корпуса замок цинковое. Покрытие лицевой планки никелевое.
Дверной замок имеет защиту от высверливания. Изготовлен из высокопрочных материалов. Имеет защитное покрытие.
Технические характеристики ЗВ8-8У Просам: 8-сувальдный; 250000 секретов; вылет ригелей 21 мм; диаметр ригелей 11 мм; количество ключей 3/5; габаритные размеры корпуса замка 82х75х19 мм; защита от отмычек. Удаление ключевого отверстия 50 мм.
Длина ключа 70 мм, количество ключей 3 шт. Количество в транспортной упаковке 30 шт, вес упаковки 14,19 кг.
Аналоги других производителей - полная информация в отделе продаж.
Замнеить 76301 Просам на 76300 или 73100 - шестисувальдный, длина ключа 70 мм.
СНЯТ С ПРОИЗВОДСТВА
См. аналоги: Просам 76300 , Просам 73100.
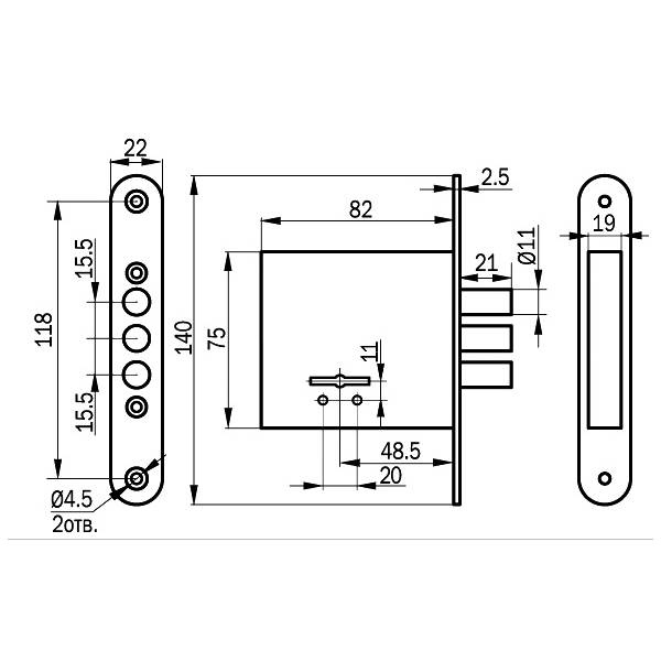
Замок врезной Просам 76301 ЗВ8-8У/13 (КЛП5-85).У2 - восьмисувальдный корпус замка для деревянных или металлических дверхей, толщина полотна которых 40-50 мм.
Корпус врезного замка Просам 76301 ЗВ8-8У/13 (КЛП5-85).У2 является универсальным, так как может устанавливаться как в двери правого или левого открывания. Модель врезного замка 76301 Просам комплектуется 3 или 5 стальными ключами, открывается и закрывается изнутри и снаружи ключом.
Замок дверной ЗВ8-8У выпускается в двух исполнениях: с прямоугольным засовом ЗВ8-8У/0 и с засовом из трех стержней круглого сечения ЗВ8-8У/1. Покрытие корпуса замок цинковое. Покрытие лицевой планки никелевое.
Дверной замок имеет защиту от высверливания. Изготовлен из высокопрочных материалов. Имеет защитное покрытие.
Технические характеристики ЗВ8-8У Просам: 8-сувальдный; 250000 секретов; вылет ригелей 21 мм; диаметр ригелей 11 мм; количество ключей 3/5; габаритные размеры корпуса замка 82х75х19 мм; защита от отмычек. Удаление ключевого отверстия 50 мм.
Длина ключа 70 мм, количество ключей 3 шт. Количество в транспортной упаковке 30 шт, вес упаковки 14,19 кг.
Аналоги других производителей - полная информация в отделе продаж.
Замнеить 76301 Просам на 76300 или 73100 - шестисувальдный, длина ключа 70 мм.
Действующие скидки
Просмотренные товары






