Замок врезной ЗВ4 402.0.0 м/о 55 мм Меттэм (20)
Замок ЗВ8 402.0.0 МЕТТЭМ врезной цилиндровый 2 класса типа ЗВ4 под ручку для противопожарных дверей.
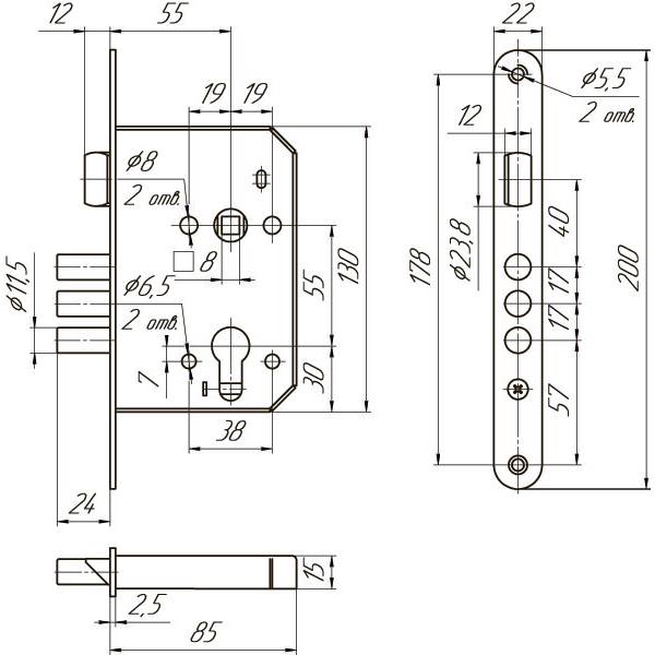
Модель ЗВ4 402.0.0, производитель Меттэм, Россия.
Технические характеристики:
Диаметр засовов 11,5 мм, максимальный ход засова 24 мм,
Удаление ключевого отверстия 52,5 мм, межосевое 55 мм.
Размер торцевой планки 200х22 мм.
Габаритные размеры корпуса замка 200х85х22 мм.
Масса замка 0,59 кг.
Риверсивная защелка, замок подходит для правых и левых дверей.
Сертифицирован в соответствии с 2 классом безопастности, ГОСТ 5089-2011, ГОСТ 538-2014, ГОСТ Р 52582-2006.
Механизм цилиндровый, ручки фалевые приобрести можно отдельно.
Обеспечивает надежную фиксацию двери даже при высоких температурах.
Замок прошел испытание в двери с пределом огнестойкости EI 45.
Модель ЗВ4 402.0.0, производитель Меттэм, Россия.
Технические характеристики:
Диаметр засовов 11,5 мм, максимальный ход засова 24 мм,
Удаление ключевого отверстия 52,5 мм, межосевое 55 мм.
Размер торцевой планки 200х22 мм.
Габаритные размеры корпуса замка 200х85х22 мм.
Масса замка 0,59 кг.
Риверсивная защелка, замок подходит для правых и левых дверей.
Сертифицирован в соответствии с 2 классом безопастности, ГОСТ 5089-2011, ГОСТ 538-2014, ГОСТ Р 52582-2006.
Механизм цилиндровый, ручки фалевые приобрести можно отдельно.
Обеспечивает надежную фиксацию двери даже при высоких температурах.
Замок прошел испытание в двери с пределом огнестойкости EI 45.
Действующие скидки
Просмотренные товары






