Механизм цилиндровый SM-90-C-G перфо ключ-вертушка Апекс
Механизм цилиндровый APECS SM-90-C-G перфоключ.
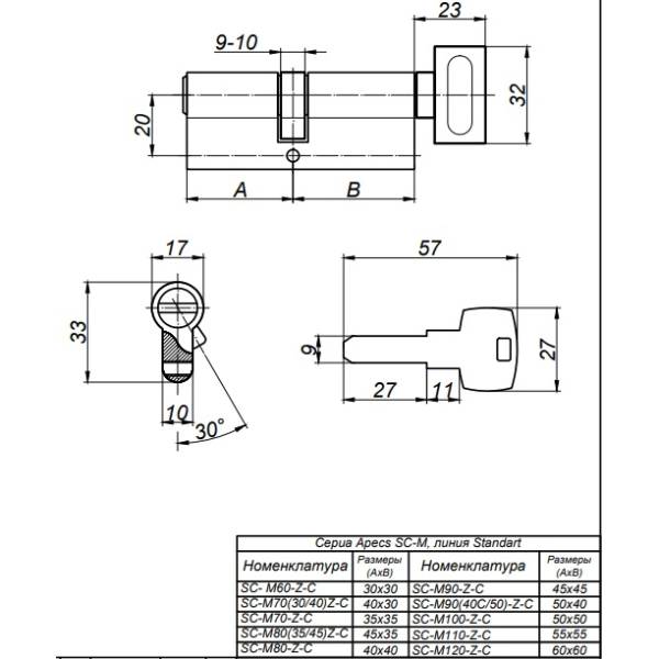
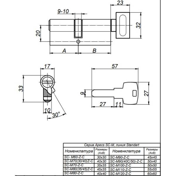
Тип механизма секретности цилиндровый. Тип цилиндрового механизма евроцилиндр. Типоразмер цилиндра 45х45. Ключ-вертушка. Секретность 15 000. Количество пинов 13. Тип ключа профильный. Механизм постоянного ключа. Материал цилиндра латунь.
Защита от бампинга, вырывания, отмычек, высверливания.
Цилиндры Апекс серии SM с профильным ключом сертифицированы на 2-й класс по ГОСТ Р 5089-2011.
Два опорных пина с проточкой для защиты от вскрытия отмычками. Запатентованная защита от бампинга. Два закаленных штифта в сердечнике и штифт в торце корпуса для защиты от высверливания.
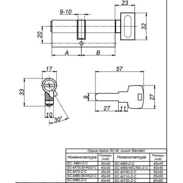
Тип механизма секретности цилиндровый. Тип цилиндрового механизма евроцилиндр. Типоразмер цилиндра 45х45. Ключ-вертушка. Секретность 15 000. Количество пинов 13. Тип ключа профильный. Механизм постоянного ключа. Материал цилиндра латунь.
Защита от бампинга, вырывания, отмычек, высверливания.
Цилиндры Апекс серии SM с профильным ключом сертифицированы на 2-й класс по ГОСТ Р 5089-2011.
Два опорных пина с проточкой для защиты от вскрытия отмычками. Запатентованная защита от бампинга. Два закаленных штифта в сердечнике и штифт в торце корпуса для защиты от высверливания.
Действующие скидки
Просмотренные товары


