Механизм цилиндровый SM-100(40C/60)-С-Ni перфо ключ-вертушка Апекс
Механизм цилиндровый APECS SM-100(60/40C)-C-NI перфоключ-вертушка.
Технические характеристики:
Механизм секретности цилиндровый.
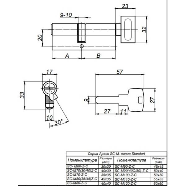
Размер цилиндра 60/40. Ключ-вертушка, вертушка с меньшей стороны.
Секретность 15 000.
Количество пинов 6.
Ключ профильный латунный с лазерной насечкой.
Длина шейки ключа 16 мм.
Механизм постоянного ключа.
Материал цилиндра латунь.
Покрытие гальваническое, цвет покрытия никель.
Защита от бампинга, вырывания, отмычек, высверливания.
Отсутствует защита от разлома и сворачивания.
Цилиндры Апекс серии SM с профильным ключом сертифицированы на 2-й класс по ГОСТ Р 5089-2011.
Два опорных пина с проточкой для защиты от вскрытия отмычками.
Запатентованная защита от бампинга.
Два закаленных штифта в сердечнике и штифт в торце корпуса для защиты от высверливания.
Технические характеристики:
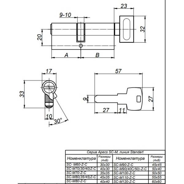
Механизм секретности цилиндровый.
Размер цилиндра 60/40. Ключ-вертушка, вертушка с меньшей стороны.
Секретность 15 000.
Количество пинов 6.
Ключ профильный латунный с лазерной насечкой.
Длина шейки ключа 16 мм.
Механизм постоянного ключа.
Материал цилиндра латунь.
Покрытие гальваническое, цвет покрытия никель.
Защита от бампинга, вырывания, отмычек, высверливания.
Отсутствует защита от разлома и сворачивания.
Цилиндры Апекс серии SM с профильным ключом сертифицированы на 2-й класс по ГОСТ Р 5089-2011.
Два опорных пина с проточкой для защиты от вскрытия отмычками.
Запатентованная защита от бампинга.
Два закаленных штифта в сердечнике и штифт в торце корпуса для защиты от высверливания.
Действующие скидки
Просмотренные товары


