Механизм секретности "Барьер-4Р, 4КР" СПб
Механизм секретности для цилиндровых замков "Барьер". Механизм секретности замков моделей 2М, 3М, 2Р, 3Р, 4КР. Производитель: завод Поливектор, г. Санкт-Петербург. В комплекте 5 ключей.
Цилиндровый механизм секретности Барьер предназначен для установки в накладные замки производства ТМ Барьер, завода ООО "Поливектор" или для самостоятельного применения.
Механизм секретности Барьер представляет собой изделие точной механики, выполненные либо из стали, либо методом порошковой металлургии. В данных механизмах секретности используется так называемый "объемный" способ кодирования, когда каждый секрет характеризуется тремя переменными параметрами, а именно: глубиной секрета, его линейным расположением относительно торца ЦМС и угловым положением относительно нулевой координаты ЦМС. Следствием этого является высокая степень секретности ЦМС и его стойкость к криминальному открыванию.
При эксплуатации цилиндрового механизма Барьер соблюдайте следующие правила: не допускайте механического повреждения ключей, засорения их центральных отверстий. Содержите ключи в чистоте и не используйте ключи не по назначению; не реже одного раза в год промывайте и смазывайте через ключевое отверстие аэрозолем типа "жидкий ключ", например, WD-40.
Типам замков Барьер соответствуют следующие цилиндровые механизмы секретности: Барьер-2, Барьер-3 - ЦМС-9; Барьер-2Р - ЦМС-9Р, Барьер-3Р - ЦМС-9РГ, Барьер-4 и 4К - ЦМС-11, Барьер-4Р и 4КР - ЦМС-11Р, Барьер-3С - ЦМС-11С, Барьер-3СР - ЦМС-11СР.
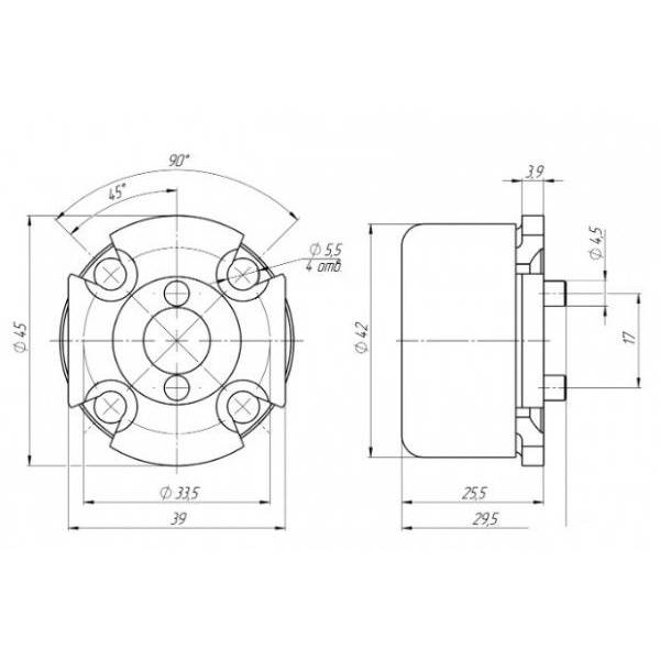
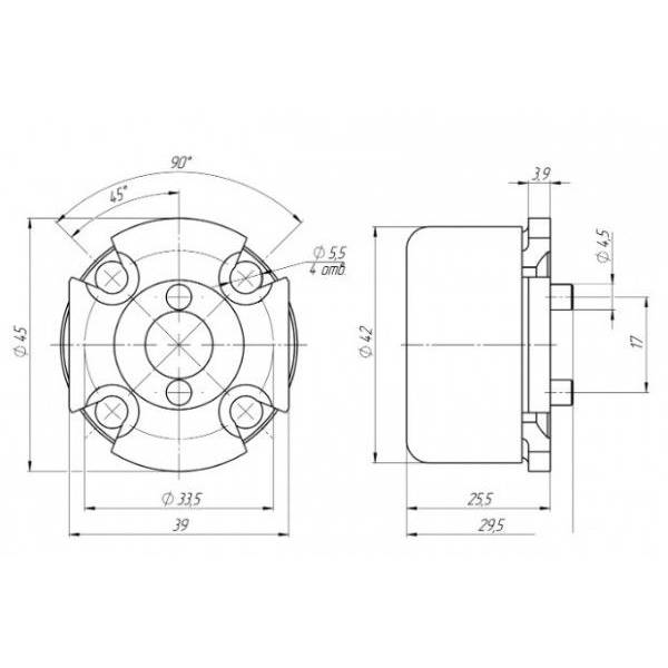
Количество секретов: для ЦМС-9, ЦМС-9Р, ЦМС-9РГ - в соответствии с требованиями к замкам 3-го класса по ГОСТ 5089-2003; для ЦМС-11, ЦМС-11Р, ЦМС-11С, ЦМС-11СР - в соответствии с требованиями к замкам 4-го класса по ГОСТ 5089-2003. Длина цилиндрической части ключей 78 мм или 108 мм. Все ЦМС имеют защиту от высверливания и отмычек. Габаритно-присоединительные размеры и весовые характеристики ЦМС Барьер в отделе продаж.
Механизмы секретности Барьер были разработаны на многолетнем опыте криминалистов из органов внутренних дел. Именно эти специалисты говорили
Цилиндровый механизм секретности Барьер предназначен для установки в накладные замки производства ТМ Барьер, завода ООО "Поливектор" или для самостоятельного применения.
Механизм секретности Барьер представляет собой изделие точной механики, выполненные либо из стали, либо методом порошковой металлургии. В данных механизмах секретности используется так называемый "объемный" способ кодирования, когда каждый секрет характеризуется тремя переменными параметрами, а именно: глубиной секрета, его линейным расположением относительно торца ЦМС и угловым положением относительно нулевой координаты ЦМС. Следствием этого является высокая степень секретности ЦМС и его стойкость к криминальному открыванию.
При эксплуатации цилиндрового механизма Барьер соблюдайте следующие правила: не допускайте механического повреждения ключей, засорения их центральных отверстий. Содержите ключи в чистоте и не используйте ключи не по назначению; не реже одного раза в год промывайте и смазывайте через ключевое отверстие аэрозолем типа "жидкий ключ", например, WD-40.
Типам замков Барьер соответствуют следующие цилиндровые механизмы секретности: Барьер-2, Барьер-3 - ЦМС-9; Барьер-2Р - ЦМС-9Р, Барьер-3Р - ЦМС-9РГ, Барьер-4 и 4К - ЦМС-11, Барьер-4Р и 4КР - ЦМС-11Р, Барьер-3С - ЦМС-11С, Барьер-3СР - ЦМС-11СР.
Количество секретов: для ЦМС-9, ЦМС-9Р, ЦМС-9РГ - в соответствии с требованиями к замкам 3-го класса по ГОСТ 5089-2003; для ЦМС-11, ЦМС-11Р, ЦМС-11С, ЦМС-11СР - в соответствии с требованиями к замкам 4-го класса по ГОСТ 5089-2003. Длина цилиндрической части ключей 78 мм или 108 мм. Все ЦМС имеют защиту от высверливания и отмычек. Габаритно-присоединительные размеры и весовые характеристики ЦМС Барьер в отделе продаж.
Механизмы секретности Барьер были разработаны на многолетнем опыте криминалистов из органов внутренних дел. Именно эти специалисты говорили
Действующие скидки
Просмотренные товары


