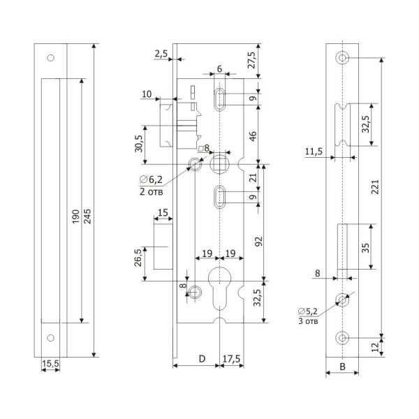
Замок врезной ЗВ Профи 35.11.24 (92 межосевое) Гардиан (15)
Замок дверной Гардиан PROFI 35.11.24 предназначен для алюминиевых, пластиковыхи деревянных дверей.
Технические характеристики: Одноригельный корпус замка с защелкой, цилиндровый механизм секретности; Универсальная защелка; Межосевое расстояние 92 мм; Расстояние от торцевой планки до центра отверстия под цилиндровый механизм (Backset) 35 мм; ширина торцевой планки 24 мм; Ригель прямоугольный классический; Вылет ригеля 15 мм; запирание не автоматическое; ополнительное запирание изнутри отсутствует.
Дополнительный механизм секретности замка отсутствует. Защелка классическая; Количество точек запирания 1; Покрытие лицевой планки гальваническое, цвет хром.
Крепление корпуса замка - лицевой плакой.
Цилиндровым механизмом и ручками не комплектуется. Гарантия 2 года.
Замок Гардиан Профи 35.11.24 для пластиковых и алюминиевых дверей является аналогом КЗВ Fuaro 4924-35/92, APECS 7500-35, пр.
Технические характеристики: Одноригельный корпус замка с защелкой, цилиндровый механизм секретности; Универсальная защелка; Межосевое расстояние 92 мм; Расстояние от торцевой планки до центра отверстия под цилиндровый механизм (Backset) 35 мм; ширина торцевой планки 24 мм; Ригель прямоугольный классический; Вылет ригеля 15 мм; запирание не автоматическое; ополнительное запирание изнутри отсутствует.
Дополнительный механизм секретности замка отсутствует. Защелка классическая; Количество точек запирания 1; Покрытие лицевой планки гальваническое, цвет хром.
Крепление корпуса замка - лицевой плакой.
Цилиндровым механизмом и ручками не комплектуется. Гарантия 2 года.
Замок Гардиан Профи 35.11.24 для пластиковых и алюминиевых дверей является аналогом КЗВ Fuaro 4924-35/92, APECS 7500-35, пр.


