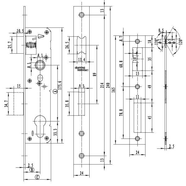
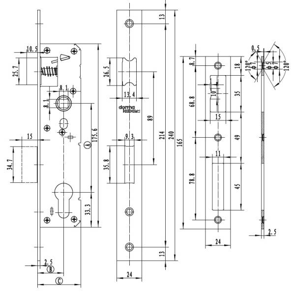
Замок врезной K3 920a 92/30/8 F_22 с защелкой DORMA
Замок врезной DORMA K3 920a 92/30/8 F=22 с защелкой для дверей из ПВХ профиля прямоугольная ответная планка.
Корпус замка Дорма межосевое расстояние 92 мм, удаление ключевого отверстия 30 мм, торцевая планка 22 мм.
Бюджетная линейка узкопрофильных замков 920а и 930а серии - серия надежных замков dormakaba по выгодной цене.
Замки 920а серии защёлка-ригель.
Замки 930а серии ролик-ригель.
В линейке продукции представлены замки с торцевой планкой 16 мм для ПВХ дверей и планкой 24 мм для алюминиевых дверей.
Межосевое расстояние 92 мм, дорнмасс (бэксет) от 25, 30 и 35 мм.
Торцевая планка замков, крепёжные шурупы и фиксирующий винт цилиндра входят в комплект замка и изготовлены из нержавеющей стали.
Плоская ответная планка из нержавеющей стали входит в комплект замков с 24 мм торцевой планкой, замки для алюминиевых дверей.
Закрытый корпус защищает механизм замка от попадания стружки и пыли, продлевая ресурс работы замка.
Ролик замка и втулка под шток ручки изготовлены из латуни.
Задний бэксет замка равен 15 мм и позволяет установить замок в большинство популярных профилей России.
Замки для пластиковых дверей отличаются по посадочным размерам, которые не определить визуально. При замене замка обязательно иметь при себе образец.
замок в пластиковую дверь dorma с защелкой
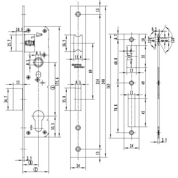
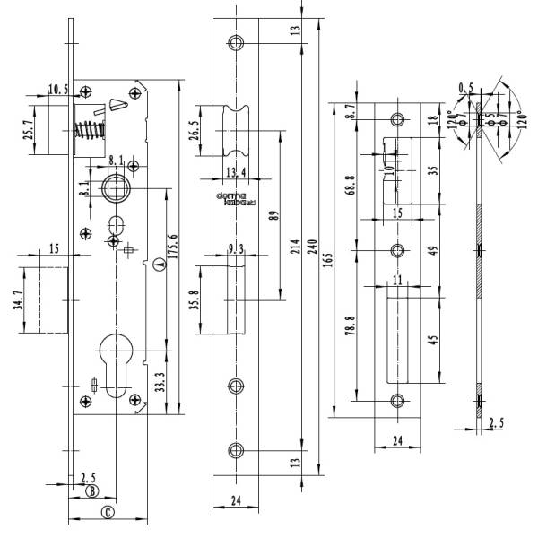
Корпус замка Дорма межосевое расстояние 92 мм, удаление ключевого отверстия 30 мм, торцевая планка 22 мм.
Бюджетная линейка узкопрофильных замков 920а и 930а серии - серия надежных замков dormakaba по выгодной цене.
Замки 920а серии защёлка-ригель.
Замки 930а серии ролик-ригель.
В линейке продукции представлены замки с торцевой планкой 16 мм для ПВХ дверей и планкой 24 мм для алюминиевых дверей.
Межосевое расстояние 92 мм, дорнмасс (бэксет) от 25, 30 и 35 мм.
Торцевая планка замков, крепёжные шурупы и фиксирующий винт цилиндра входят в комплект замка и изготовлены из нержавеющей стали.
Плоская ответная планка из нержавеющей стали входит в комплект замков с 24 мм торцевой планкой, замки для алюминиевых дверей.
Закрытый корпус защищает механизм замка от попадания стружки и пыли, продлевая ресурс работы замка.
Ролик замка и втулка под шток ручки изготовлены из латуни.
Задний бэксет замка равен 15 мм и позволяет установить замок в большинство популярных профилей России.
Замки для пластиковых дверей отличаются по посадочным размерам, которые не определить визуально. При замене замка обязательно иметь при себе образец.
замок в пластиковую дверь dorma с защелкой
Действующие скидки
Просмотренные товары


