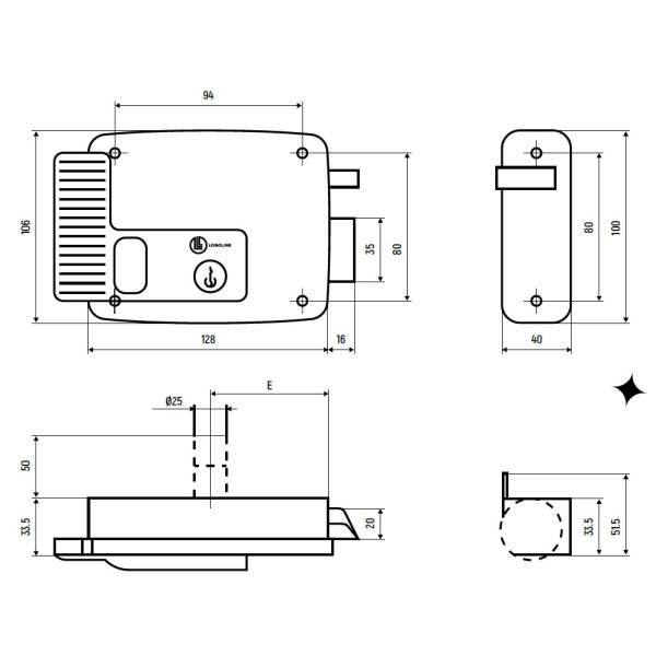
Замок накладной электромеханический RL-730.60.3 правый, наружу (аналог CISA 11.610.3) Logoline
Замок накладной LOGOLINE электромеханический RL-730.60.3
АНАЛОГ CISA 11610.3
Накладной замок с электромеханической защелкой, состоящейю из взводного и запорного ригели.
Запорная защелка обладает функцией противоотжимной блокировки при закрытом состоянии замка.
Наружный цилиндровый механизм позволяет всегда открыть замок с помощью ключа.
Все замки LOGOLINE выполнены в едином стиле - металлический корпус с черной пластиковой отделкой.
Красная пластиковая кнопка выхода допускает работу в трех режимах:
1. Обычный - снаружи замок открывается ключом и дистанционно при подаче электрического сигнала управления, изнутри замок открывается нажатием на кнопку и дистанционно;
2. Дистанционный - открывание снаружи, как и в обычном режиме, изнутри замок открывается только путем подачи дистанционного сигнала управления, так как кнопка выхода зафиксирована ключом в обычном положении;
3. Свободного прохода (H.O. - hold open) - кнопка выхода зафиксирована ключом в положении "открыто", рабочий ригель работает параллельно взводному, и замок постоянно находится в открытом состоянии.
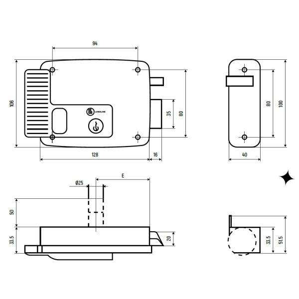
АНАЛОГ CISA 11610.3
Накладной замок с электромеханической защелкой, состоящейю из взводного и запорного ригели.
Запорная защелка обладает функцией противоотжимной блокировки при закрытом состоянии замка.
Наружный цилиндровый механизм позволяет всегда открыть замок с помощью ключа.
Все замки LOGOLINE выполнены в едином стиле - металлический корпус с черной пластиковой отделкой.
Красная пластиковая кнопка выхода допускает работу в трех режимах:
1. Обычный - снаружи замок открывается ключом и дистанционно при подаче электрического сигнала управления, изнутри замок открывается нажатием на кнопку и дистанционно;
2. Дистанционный - открывание снаружи, как и в обычном режиме, изнутри замок открывается только путем подачи дистанционного сигнала управления, так как кнопка выхода зафиксирована ключом в обычном положении;
3. Свободного прохода (H.O. - hold open) - кнопка выхода зафиксирована ключом в положении "открыто", рабочий ригель работает параллельно взводному, и замок постоянно находится в открытом состоянии.
Действующие скидки
Просмотренные товары


