Защелка врезная PLASTIC P96WC-50 AB бронза Fuaro (Фуаро)
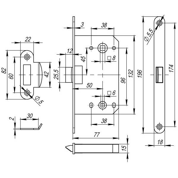
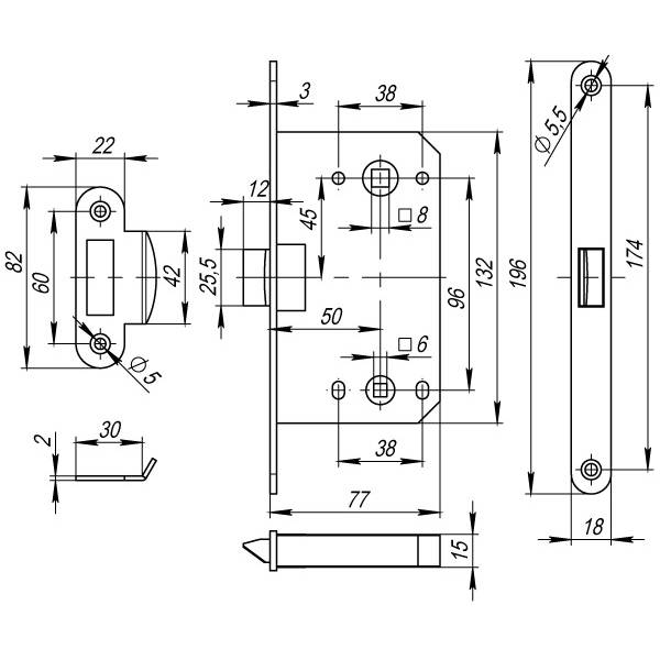
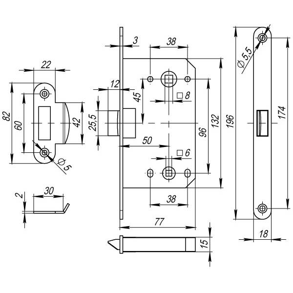
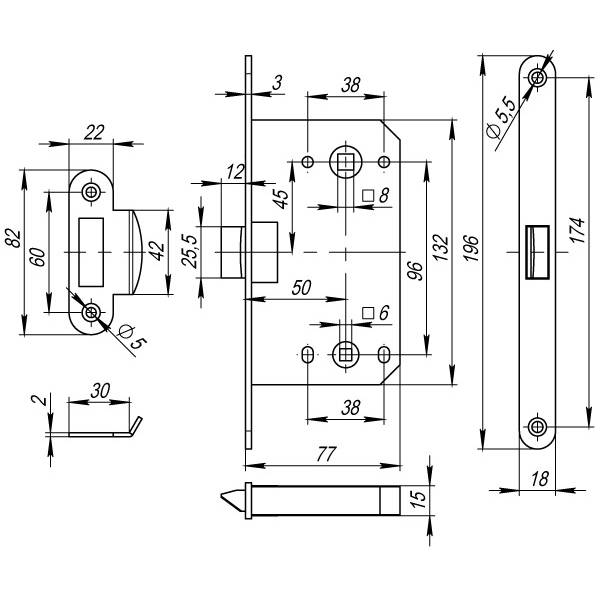
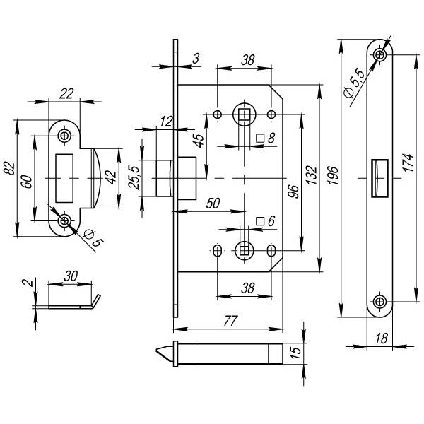
Дверная защелка с пластиковым механизмом Fuaro P96WC серии PLASTIC изготовлена в соответствии с требованиями ГОСТ 5089-2003. Предназначена для установки в деревянные межкомнатные и сантехнические двери. Легкая смена направления язычка защелки, подходит для дверей левого и правого открывания. Корпус выполнен из стали с надежным гальваническим покрытием. Ударопрочный пластиковый механизм обеспечивает бесшумность работы защелки. Защелка P96WC с усиленным блоком пружин имеет высший 4 класс надежности (250 000 циклов открывания/закрывания). Отверстия под стяжные винты находятся на расстоянии 38 мм. Размер бэксета - 50 мм. Размер межосевого расстояния - 96 мм. Возможна установка дверных ручек на стяжные винты для более прочного крепления. Цвет: бронза. В комплектацию входят: ответная планка и крепежная фурнитура в цвет изделия.
Действующие скидки
Просмотренные товары


