Защелка дверная С-45П пластиковый язычок (старая медь) Нора-М
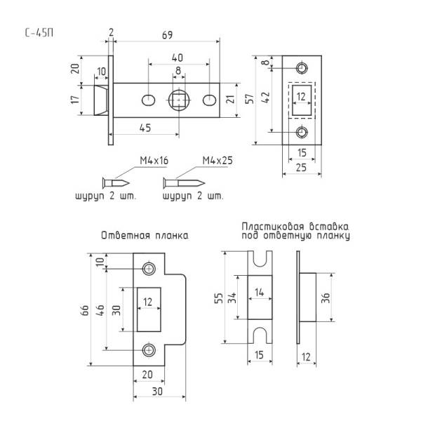
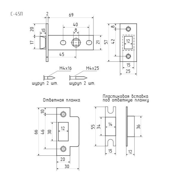
Механизм защелки врезной Нора-М модель С-45П с пластиковым язычком предназначена для установки в межкомнатные деревянные двери.
Дополнительно защелка С-45П Нора-М может комплектоваться с ручкой раздельной на розетке, размер отверстия под квадрат 8х8.
Технические характеристики защелки С-45П Нора-М:
ответная планка в комплекте;
удаление ключевого отверстия (бэксет) 45 мм;
материал защелки сталь.
Защелки врезные С-45П с пластиковым язычком устанавливаются на межкомнатные двери, удерживают дверь в закрытом положении, не позволяя распахиваться дверному полотну, ключ при этом не применяется.
В целом, дверные защелки подразделяются на: магнитные, которые удерживают дверь в закрытом состоянии; фалевые с косым пружинным язычком; роликовые, т.е. механизм работает за счет вращающихся роликов.
При замене механизма защелки необходимо замерить бэксет (удаление ключевого отверстия), у защелки С-45П это расстояние от торцевой планки до середины отверстия под квадрат ручки. В противоположном случае подобрать аналог не представляется возможным, либо при покупке неподходящей защелки придется пересверливать установочные отверстия, что влияет на эстетичность и внешний вид двери. Пожалуйста, уточняйте в отделе продаж, какие параметры необходимо замерить.
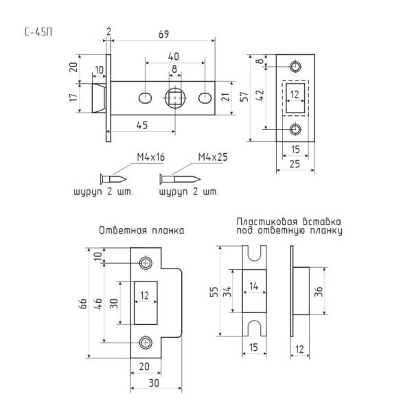
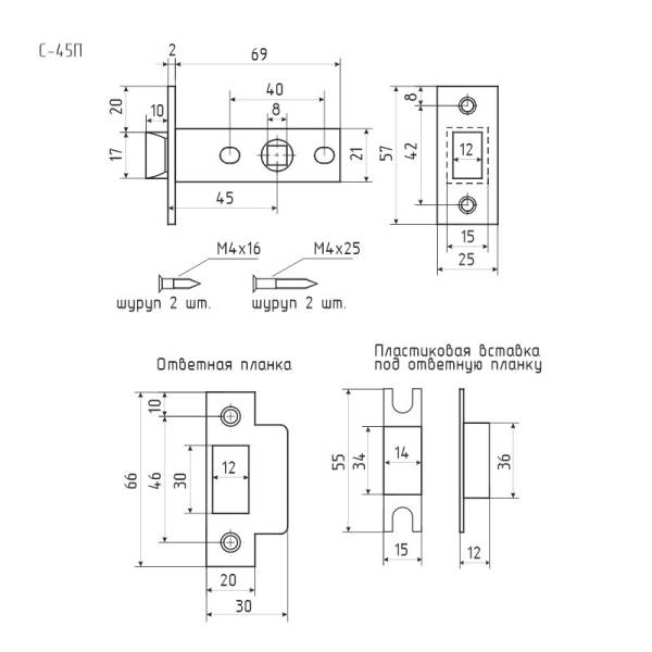
Дополнительно защелка С-45П Нора-М может комплектоваться с ручкой раздельной на розетке, размер отверстия под квадрат 8х8.
Технические характеристики защелки С-45П Нора-М:
ответная планка в комплекте;
удаление ключевого отверстия (бэксет) 45 мм;
материал защелки сталь.
Защелки врезные С-45П с пластиковым язычком устанавливаются на межкомнатные двери, удерживают дверь в закрытом положении, не позволяя распахиваться дверному полотну, ключ при этом не применяется.
В целом, дверные защелки подразделяются на: магнитные, которые удерживают дверь в закрытом состоянии; фалевые с косым пружинным язычком; роликовые, т.е. механизм работает за счет вращающихся роликов.
При замене механизма защелки необходимо замерить бэксет (удаление ключевого отверстия), у защелки С-45П это расстояние от торцевой планки до середины отверстия под квадрат ручки. В противоположном случае подобрать аналог не представляется возможным, либо при покупке неподходящей защелки придется пересверливать установочные отверстия, что влияет на эстетичность и внешний вид двери. Пожалуйста, уточняйте в отделе продаж, какие параметры необходимо замерить.


