Замок накладной ЗН Барьер-4Р (4) СПб
Замок дверной Барьер-4Р чертвертого класса защиты, сертифицирован по ГОСТ 5089-2003.
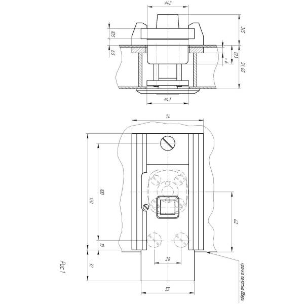
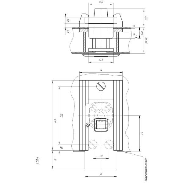
Замок Барьер-4Р с цилиндровым механизмом нового образца предназначен для установки на дверные блоки толщиной от 31 до 65 мм левого и правого открывания как внутрь, так и наружу помещения.
Корпус дверного замка имеет полимерное покрытие, черного цвета.
Габариты корпуса замка Барьер-4Р: 120х74х51мм.
При эксплуатации замка соблюдайте следующие правила:
- не прилагайте чрезмерных усилий к ключу при открывании и закрывании замка;
- не допускайте резких ударов стопора 6 о края паза в корпусе 7;
- не допускайте механического повреждения ключей, засорения их центральных отверстий, содержите ключ в чистоте, не используйте ключ не по назначению;
- при необходимости движущиеся части замка смазывайте любой твердой смазкой, например, "Ли-тол-24";
- не реже одного раза в год механизм секретности промывайте и смазывайте через ключевое отвер-стие аэрозолем типа "жидкий ключ", например, WD-40;
- периодически проверяйте качество затяжки винтов 5 и винта-ограничителя 6.
Полностью защитные свойства замка реализуются на стальных дверных блоках, изготовленных по ГОСТ 31173-2003.
Производитель: завод Поливектор, г. Санкт-Петербург, Россия.
Замок дверной Барьер-4Р соответствует 4-му классу по ГОСТ 538-2001, ГОСТ 5089-2003.
накладные замки для входной двери в ростове на семашко
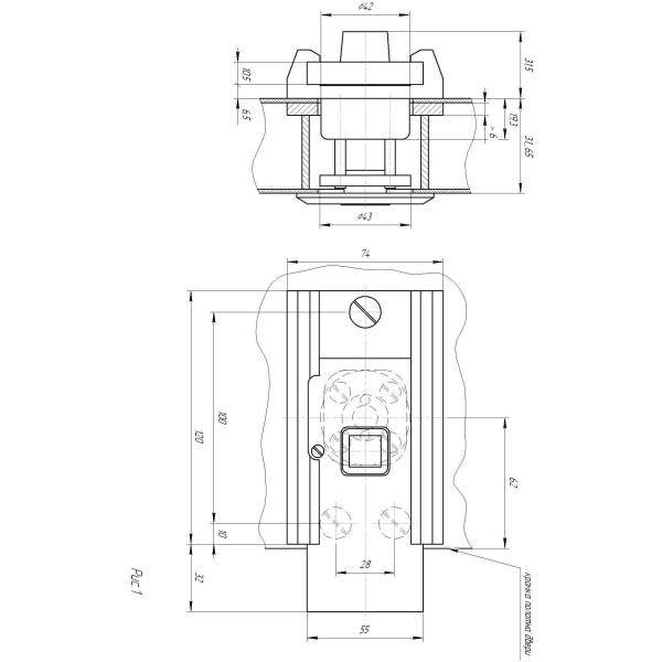
Замок Барьер-4Р с цилиндровым механизмом нового образца предназначен для установки на дверные блоки толщиной от 31 до 65 мм левого и правого открывания как внутрь, так и наружу помещения.
Корпус дверного замка имеет полимерное покрытие, черного цвета.
Габариты корпуса замка Барьер-4Р: 120х74х51мм.
При эксплуатации замка соблюдайте следующие правила:
- не прилагайте чрезмерных усилий к ключу при открывании и закрывании замка;
- не допускайте резких ударов стопора 6 о края паза в корпусе 7;
- не допускайте механического повреждения ключей, засорения их центральных отверстий, содержите ключ в чистоте, не используйте ключ не по назначению;
- при необходимости движущиеся части замка смазывайте любой твердой смазкой, например, "Ли-тол-24";
- не реже одного раза в год механизм секретности промывайте и смазывайте через ключевое отвер-стие аэрозолем типа "жидкий ключ", например, WD-40;
- периодически проверяйте качество затяжки винтов 5 и винта-ограничителя 6.
Полностью защитные свойства замка реализуются на стальных дверных блоках, изготовленных по ГОСТ 31173-2003.
Производитель: завод Поливектор, г. Санкт-Петербург, Россия.
Замок дверной Барьер-4Р соответствует 4-му классу по ГОСТ 538-2001, ГОСТ 5089-2003.
накладные замки для входной двери в ростове на семашко


