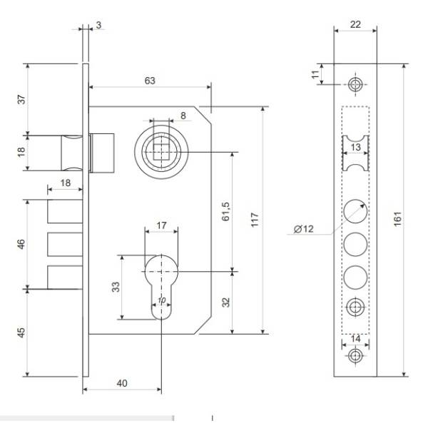
Замок врезной ЗВ 1027/60-NI/S (матовый никель) 40/61,5 Апекс (20)
Замок врезной Apecs 1027/60-NI/S. Технические характеристики: Тип упаковки коробка; Назначение общее; Рекомендован для установки в входные двери; Рекомендован для установки в межкомнатные двери; Тип крепления лицевая планка; Тип ригелей цилиндрические; Количество ригелей 3; Вылет ригелей 20 мм; Диаметр ригеля 12 мм; Удаление ключевого отверстия (Backset) 40 мм; Тип механизма секретности цилиндровый; Тип цилиндрового механизма евроцилиндр; Тип ключа английский; Количество ключей 5; Механизм постоянного ключа отсутствует; Комплектация цилиндром; Типоразмер цилиндра 30/30; Материал цилиндра латунь; Покрытие цилиндра гальваника; Цвет цилиндра никель; Дополнительный механизм секретности отсутствует; Защелка классическая; Тип защелки универсальная; Межосевое расстояние 61.5 мм; Комплектация ручками; Способ установки ручки стяжки; Материал ручки алюминий; Покрытие ручек гальваника; Цвет ручки никель; Неавтоматическое запирание; Количество точек запирания 1; Дополнительное запирание изнутри отсутствует; Покрытие лицевой планки гальваника; Цвет лицевой планки никель.


