Замок врезной КЗВ 960-3R РВ (золото) Сазар
Замок врезной Сазар 960-3R РВ цилиндровый, без ручек, трехригельный. Цвет золото. Тип дверного замка - врезной. Класс защиты 3.
РАСПРОДАЖА
Ручками дополнительно не комплектуется, только цилиндровым механизмом.
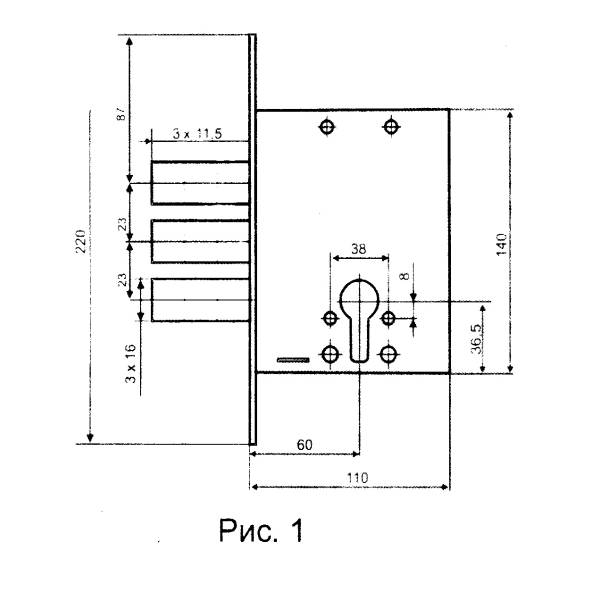
Габариты корпуса замка 220 х 110 х 28 мм. Размеры разделки под замок 140 х 110 х 19,5 мм. Вес замка врезного 1 кг.
Монтаж замка на двери: определите место установки замка, нанесите разметку согласно габаритам замка. В двери выберите паз под корпус и лицевую планку, а также под цилиндровый механизм. Установите корпус замка в дверь и закрепите его шурупами. По установленному замку определите место для ответной планки и выборки пазов ригелей. Установите планку в паз и закрепите ее шурупами. Проверьте изнутри и снаружи работоспособность замка.
Корпус врезного замка Сазар КЗВ 960-3R является аналогом корпуса врезного замка Кале 257.
РАСПРОДАЖА
Ручками дополнительно не комплектуется, только цилиндровым механизмом.
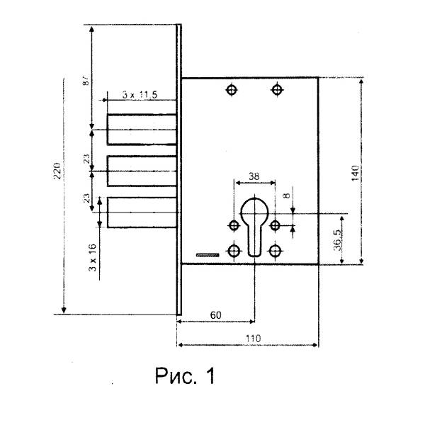
Габариты корпуса замка 220 х 110 х 28 мм. Размеры разделки под замок 140 х 110 х 19,5 мм. Вес замка врезного 1 кг.
Монтаж замка на двери: определите место установки замка, нанесите разметку согласно габаритам замка. В двери выберите паз под корпус и лицевую планку, а также под цилиндровый механизм. Установите корпус замка в дверь и закрепите его шурупами. По установленному замку определите место для ответной планки и выборки пазов ригелей. Установите планку в паз и закрепите ее шурупами. Проверьте изнутри и снаружи работоспособность замка.
Корпус врезного замка Сазар КЗВ 960-3R является аналогом корпуса врезного замка Кале 257.
Действующие скидки
Просмотренные товары






