Замок врезной ЗВ8 141.1.0 МЕТТЭМ
Замок врезной ЗВ8 141.1.0 МЕТТЭМ сувальдный, сертифицирован по ГОСТ 5089 2011, Р 52582 2006, 538 2014, 3й класс безопасности.
Дверные замки типа ЗВ8 141.1.0 предназначены для установки во входные двери всех типов,рекомендуется к применению в металлических дверях, в т.ч. укрепленных.
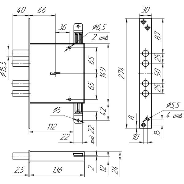
Дверной замок ЗВ8 141.1.0 МЕТТЭМ запирает дверь четырьмя стальными ригелями диаметром 16 мм, ригели выдвигаются из корпуса замка на 40 мм. В одном из ригелей расположен закаленный стальной стержень, который обеспечивает надежную защиту от перепиливания.
Дверь запирается на четыре полных оборота (возможно неполное запирание двери на два оборота), снабжен съемной лицевой планкой, сделанной из стали.
Вертикальные тяги обеспечивают дополнительное запирание двери в направлении вверх-вниз.
Модель ЗВ8 141.1.0 МЕТТЭМ комплектуется пятью латунными ключами и двумя декоративными накладками из нержавеющей стали (по одной для внешней и внутренней сторон двери).
Конструкция ЗВ8 141.1.0 и ЗВ8 141.1.1 не предусматривает наличие защёлки, поэтому ЗВ8 141.1.0/141.1.1 рекомендуется в качестве второго запирающего устройства двери.
Технические характеристики ЗВ8 141.1.0 МЕТТЭМ: класс ГОСТ 3; тип крепления врезной/вкладной; габаритные размеры корпуса замка 274х139х30 мм; материал корпуса сталь, покрытие корпуса - порошковая краска; стальные ригели, покрытие - никель/хром; количество сувальд 5 с одной стороны ригельной планки, две из пяти сувальд снабжены ложными пазами; количество полуоборотов 4; бэксет 66 мм; количество ригелей 4; диаметр ригелей 16 мм; вылет ригелей 40 мм; защелка и задвижка отсутствует; комплектуется тягами; стальная лицевая планка, покрытие - никель; количество ключей 5 шт.; длина ключа (от головки до бородки) 40 мм, по заказу могут быть изготовлены ключи длиной 50, 60 и 80 мм. Упаковка: картонная коробка; количество в упаковке 10 шт.; масса брутто упаковки 17,25 кг; масса брутто 1 шт. 1,7 кг; запорная планка отсутствует.
Заводская комплектация ЗВ8 141.1.0 МЕТТЭМ: замок, комплект накладок (160 М 184.040, нержавеющая сталь), клю
Дверные замки типа ЗВ8 141.1.0 предназначены для установки во входные двери всех типов,рекомендуется к применению в металлических дверях, в т.ч. укрепленных.
Дверной замок ЗВ8 141.1.0 МЕТТЭМ запирает дверь четырьмя стальными ригелями диаметром 16 мм, ригели выдвигаются из корпуса замка на 40 мм. В одном из ригелей расположен закаленный стальной стержень, который обеспечивает надежную защиту от перепиливания.
Дверь запирается на четыре полных оборота (возможно неполное запирание двери на два оборота), снабжен съемной лицевой планкой, сделанной из стали.
Вертикальные тяги обеспечивают дополнительное запирание двери в направлении вверх-вниз.
Модель ЗВ8 141.1.0 МЕТТЭМ комплектуется пятью латунными ключами и двумя декоративными накладками из нержавеющей стали (по одной для внешней и внутренней сторон двери).
Конструкция ЗВ8 141.1.0 и ЗВ8 141.1.1 не предусматривает наличие защёлки, поэтому ЗВ8 141.1.0/141.1.1 рекомендуется в качестве второго запирающего устройства двери.
Технические характеристики ЗВ8 141.1.0 МЕТТЭМ: класс ГОСТ 3; тип крепления врезной/вкладной; габаритные размеры корпуса замка 274х139х30 мм; материал корпуса сталь, покрытие корпуса - порошковая краска; стальные ригели, покрытие - никель/хром; количество сувальд 5 с одной стороны ригельной планки, две из пяти сувальд снабжены ложными пазами; количество полуоборотов 4; бэксет 66 мм; количество ригелей 4; диаметр ригелей 16 мм; вылет ригелей 40 мм; защелка и задвижка отсутствует; комплектуется тягами; стальная лицевая планка, покрытие - никель; количество ключей 5 шт.; длина ключа (от головки до бородки) 40 мм, по заказу могут быть изготовлены ключи длиной 50, 60 и 80 мм. Упаковка: картонная коробка; количество в упаковке 10 шт.; масса брутто упаковки 17,25 кг; масса брутто 1 шт. 1,7 кг; запорная планка отсутствует.
Заводская комплектация ЗВ8 141.1.0 МЕТТЭМ: замок, комплект накладок (160 М 184.040, нержавеющая сталь), клю
Действующие скидки
Просмотренные товары


