76314 Замок врезной ЗВ8-8У/15.(КЛП5-85).У2 универсальный, 3 ригеля, 3 кл. 85мм BORDER (30)
ЗАМОК BORDER 76314 8-СУВАЛЬДНЫЙ ВРЕЗНОЙ 8-8 класс 2 ГОСТ 5089-2011.
ЗАМОК СЕРТИФИЦИРОВАН КАК ПРОТИВОПОЖАРНЫЙ.
Замок Бордер 76314 ЗВ8-8У/13 8-сувальдный врезной предназначен для запирания входных и внутренних дверей жилых домов, квартир, школьных классов, торговых, конторских и подсобных помещений и т.п., толщиной 40-50 мм.
Технические характеристики БОРДЕР 76314:
корпус универсальный;
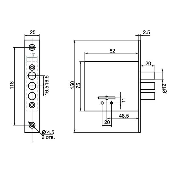
изготавливается с засовом из стержней круглого сечения диаметром 12 мм;
вылет ригелей 20 мм.
замок повышенной секретности,
имеет 250 000 неповторяющихся вариантов ключей,
практически невозможно открыть отмычкой;
пыль, влага, коррозия и замерзание не вызывают поломки сувальдного механизма.
Удаление ключевого отверстия 48,5 мм от торцевой планки (общее 51 мм).
Количество ключей в комплекте 3 шт.,
длина ключа 85 мм.
Замок Бордер 76314 имеет СЕРТИФИКАТ СООТВЕТСТВИЯ N РОСС RU.АГ35. НО2815.
Аналог Бордер 76314 по посадочным параметрам Просам 73100 ЗВ8-6.
ЗАМОК СЕРТИФИЦИРОВАН КАК ПРОТИВОПОЖАРНЫЙ.
Замок Бордер 76314 ЗВ8-8У/13 8-сувальдный врезной предназначен для запирания входных и внутренних дверей жилых домов, квартир, школьных классов, торговых, конторских и подсобных помещений и т.п., толщиной 40-50 мм.
Технические характеристики БОРДЕР 76314:
корпус универсальный;
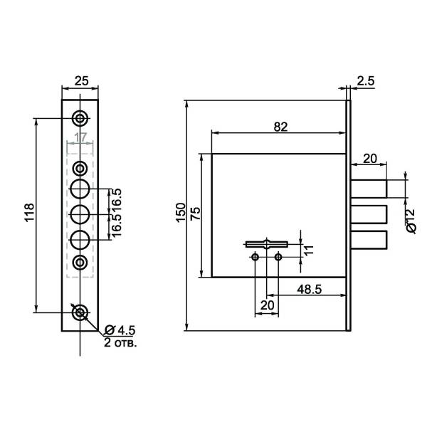
изготавливается с засовом из стержней круглого сечения диаметром 12 мм;
вылет ригелей 20 мм.
замок повышенной секретности,
имеет 250 000 неповторяющихся вариантов ключей,
практически невозможно открыть отмычкой;
пыль, влага, коррозия и замерзание не вызывают поломки сувальдного механизма.
Удаление ключевого отверстия 48,5 мм от торцевой планки (общее 51 мм).
Количество ключей в комплекте 3 шт.,
длина ключа 85 мм.
Замок Бордер 76314 имеет СЕРТИФИКАТ СООТВЕТСТВИЯ N РОСС RU.АГ35. НО2815.
Аналог Бордер 76314 по посадочным параметрам Просам 73100 ЗВ8-6.
Действующие скидки
Просмотренные товары


