Замок врезной ЗВ4 401.0.0 Меттэм
Врезной замок МЕТТЭМ ЗВ4 401.0.0 имеет цилиндровый корпус с прямоугольным ригелем, оснащен защелкой.
Замок врезной цилиндровый ЗВ4 401.0.0 сертифицирован по ГОСТ (5089 2011, Р 52582 2006, 538 2014), соответствует 3му классу взломостойкости.
Дверные замки типа ЗВ4 401.0.0 рекомендуются для установки во входные двери.
ЗВ4 401.0.0 имеет одно направление запирания: стальной прямоугольный ригель выдвигается из корпуса замка на 24 мм. Запирание происходит на два оборота.
Дверной замок ЗВ4 401.0.0 оснащен защелкой, может быть установлен в дверь в качестве основного запирающего устройства.
Корпус повышенной жесткости ЗВ4 401.0.0 усилен втулками, что позволяет крепить врезную броненакладку.
Модель ЗВ4 401.0.0 комплектуется стальными лицевой и запорной планками, а также винтом М5Х60 для крепления цилиндрового механизма.
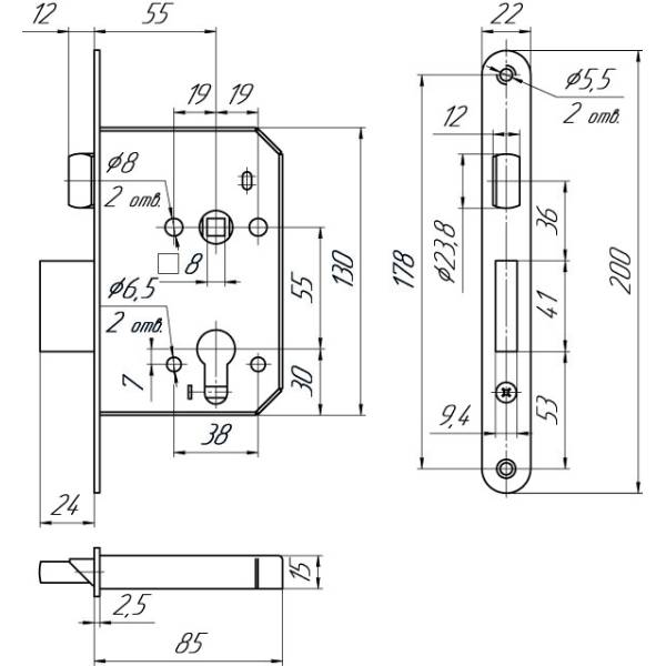
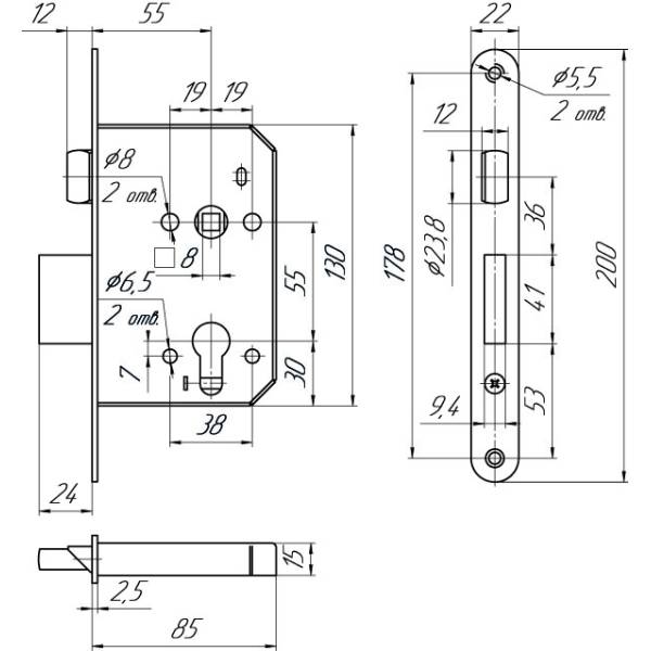
Технические характеристики ЗВ4 401.0.0 МЕТТЭМ:
3 класс ГОСТ; тип крепления врезной;
габаритные размеры корпуса замка 200х85х22 мм;
корпус сталь, покрытие - порошковая краска;
ригели сталь, покрытие - никель;
межосевое расстояние 55 мм;
количество оборотов 2; бэксет 55 мм;
количество ригелей 1; вылет ригеля 24 мм;
защёлка; лицевая планка сталь, покрытие - никель;
поставка картонная коробка; количество в упаковке 20 шт.; масса брутто упаковки 14,25 кг; масса брутто 1 шт. 0,7 кг; запорная планка; базовая комплектация замок, запорная планка, комплект накладок; ЗВ1.001, винт М5Х60, паспорт, упаковка; гарантия завода 2 года со дня продажи.
Купить врезной замок ЗВ4 401.0.0 Меттэм оптом или в розницу в Ростове-на-Дону.
Замок врезной цилиндровый ЗВ4 401.0.0 сертифицирован по ГОСТ (5089 2011, Р 52582 2006, 538 2014), соответствует 3му классу взломостойкости.
Дверные замки типа ЗВ4 401.0.0 рекомендуются для установки во входные двери.
ЗВ4 401.0.0 имеет одно направление запирания: стальной прямоугольный ригель выдвигается из корпуса замка на 24 мм. Запирание происходит на два оборота.
Дверной замок ЗВ4 401.0.0 оснащен защелкой, может быть установлен в дверь в качестве основного запирающего устройства.
Корпус повышенной жесткости ЗВ4 401.0.0 усилен втулками, что позволяет крепить врезную броненакладку.
Модель ЗВ4 401.0.0 комплектуется стальными лицевой и запорной планками, а также винтом М5Х60 для крепления цилиндрового механизма.
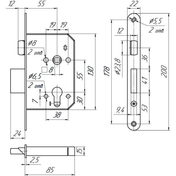
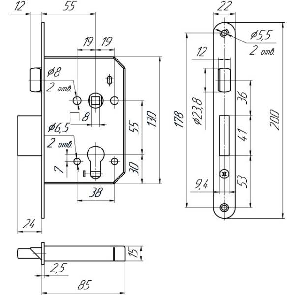
Технические характеристики ЗВ4 401.0.0 МЕТТЭМ:
3 класс ГОСТ; тип крепления врезной;
габаритные размеры корпуса замка 200х85х22 мм;
корпус сталь, покрытие - порошковая краска;
ригели сталь, покрытие - никель;
межосевое расстояние 55 мм;
количество оборотов 2; бэксет 55 мм;
количество ригелей 1; вылет ригеля 24 мм;
защёлка; лицевая планка сталь, покрытие - никель;
поставка картонная коробка; количество в упаковке 20 шт.; масса брутто упаковки 14,25 кг; масса брутто 1 шт. 0,7 кг; запорная планка; базовая комплектация замок, запорная планка, комплект накладок; ЗВ1.001, винт М5Х60, паспорт, упаковка; гарантия завода 2 года со дня продажи.
Купить врезной замок ЗВ4 401.0.0 Меттэм оптом или в розницу в Ростове-на-Дону.
Действующие скидки
Просмотренные товары






