Замок врезной противопожарный 2000-Panic-ZN APECS
Замок врезной противопожарный Apecs 2000-Panic-ZN 2 класс ГОСТ
Замок врезной противопожарный Apecs 2000-Panic-ZN второго класса взломостойкости.
Время вскрытия не менее 5 минут.
200 000 циклов безотказной работы.
Рекомендуются для установки во входные (металлические) двери в помещения, не имеющие определенных ценностей.
Врезные замки Apecs для противопожарных дверей соответствуют самым жёстким требованиям к запорным устройствам, имеют сертификаты соответствия ГОСТ, выдержали испытания на огнестойкость в течение 60 минут (время прибытия подразделений пожарной охраны к месту возгорания - 10-20 минут).
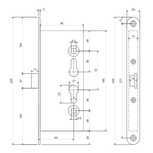
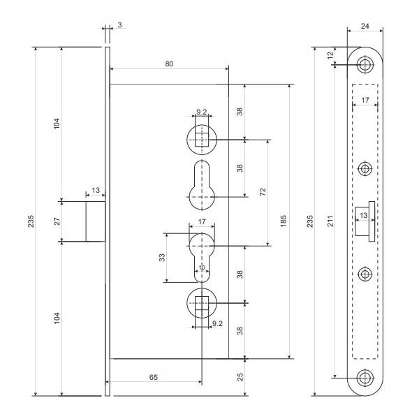
Технические характеристики: Тип ригелей классический/прямоугольный;
Удаление ключевого отверстия (Backset) 65 мм;
Тип механизма секретности замка цилиндровый;
Тип цилиндрового механизма евроцилиндр;
Цилиндровым механизмом не комплектуется;
Дополнительный механизм секретности замка отсутствует;
Защелка классическая;
Защелка универсальная;
Ручками не комплектуется;
Запирание не автоматическое;
Количество точек запирания 1;
Покрытие лицевой планки оцинкованная сталь;
Размер сечения квадрата ручки 9 мм.
Замок врезной противопожарный Apecs 2000-Panic-ZN второго класса взломостойкости.
Время вскрытия не менее 5 минут.
200 000 циклов безотказной работы.
Рекомендуются для установки во входные (металлические) двери в помещения, не имеющие определенных ценностей.
Врезные замки Apecs для противопожарных дверей соответствуют самым жёстким требованиям к запорным устройствам, имеют сертификаты соответствия ГОСТ, выдержали испытания на огнестойкость в течение 60 минут (время прибытия подразделений пожарной охраны к месту возгорания - 10-20 минут).
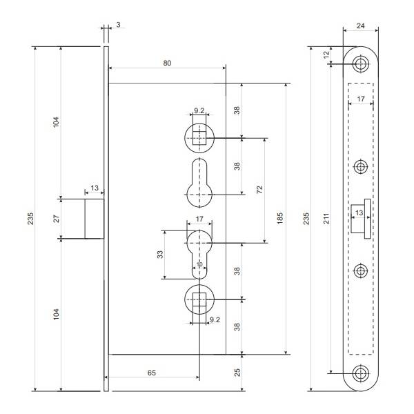
Технические характеристики: Тип ригелей классический/прямоугольный;
Удаление ключевого отверстия (Backset) 65 мм;
Тип механизма секретности замка цилиндровый;
Тип цилиндрового механизма евроцилиндр;
Цилиндровым механизмом не комплектуется;
Дополнительный механизм секретности замка отсутствует;
Защелка классическая;
Защелка универсальная;
Ручками не комплектуется;
Запирание не автоматическое;
Количество точек запирания 1;
Покрытие лицевой планки оцинкованная сталь;
Размер сечения квадрата ручки 9 мм.
Действующие скидки
Просмотренные товары


