Замок врезной ЗВ "Гардиан 20.02Т" 5 кл. (длинный ключ) (20 шт)
Врезной сувальдный замок Гардиан 20.02Т сертифицирован по ГОСТ 5089-2011 4й класс безопасности.
Технические характеристики:
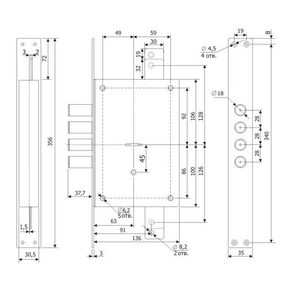
четырехригельный корпус замка; ригели цилиндрические, диаметром 18 мм, вылет ригелей 37,7 мм;
механизм секретности замка сувальдный; количество сувальд 6, количество комбинаций более 2 млрд.
Количество точек запирания 1; Защелка отсутствует. Запирание не автоматическое; Количество полуоборотов 2.
Посадочные и установочные размеры:
корпус замка 206x136x30,5 мм;
Удаление ключевого отверстия 63 мм. см. чертже Гардиан 2002Т на втором фото.
В комплекте 4 сувальдных ключа; крепление корпуса лицевой планкой, планка с гальваническим покрытием, цвет хром.
Гардиан 2002 Т рекомендован для установки во входные деревянные и металлические двери.
Особенности Гардиан 2002 Т:
Ложные пазы на стойке и сувальдах, увеличенная жесткость пружин сувальд; ослабленный зуб рейки хвостовика; при полностью выдвинутых ригелях замка, 30% их длины остается в корпусе замка, усилена конструкция засовов; закаленная стойка рейки хвостовика; отсутствует нижняя стенка корпуса замка.
Все перечисленные свойства Гардиан 2002 Т обеспечивают защиту от вскрытия отмычкой, свертыша, взлома, высверливания, вандалов.
Аналог Гардиан 20.02 т - замок Эльбор Рубин 1.08.02. Подробнее в отделе продаж.
Технические характеристики:
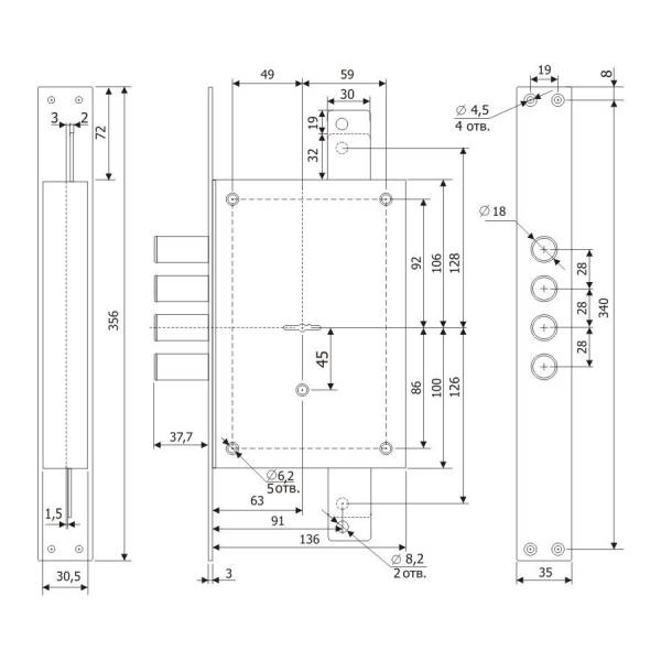
четырехригельный корпус замка; ригели цилиндрические, диаметром 18 мм, вылет ригелей 37,7 мм;
механизм секретности замка сувальдный; количество сувальд 6, количество комбинаций более 2 млрд.
Количество точек запирания 1; Защелка отсутствует. Запирание не автоматическое; Количество полуоборотов 2.
Посадочные и установочные размеры:
корпус замка 206x136x30,5 мм;
Удаление ключевого отверстия 63 мм. см. чертже Гардиан 2002Т на втором фото.
В комплекте 4 сувальдных ключа; крепление корпуса лицевой планкой, планка с гальваническим покрытием, цвет хром.
Гардиан 2002 Т рекомендован для установки во входные деревянные и металлические двери.
Особенности Гардиан 2002 Т:
Ложные пазы на стойке и сувальдах, увеличенная жесткость пружин сувальд; ослабленный зуб рейки хвостовика; при полностью выдвинутых ригелях замка, 30% их длины остается в корпусе замка, усилена конструкция засовов; закаленная стойка рейки хвостовика; отсутствует нижняя стенка корпуса замка.
Все перечисленные свойства Гардиан 2002 Т обеспечивают защиту от вскрытия отмычкой, свертыша, взлома, высверливания, вандалов.
Аналог Гардиан 20.02 т - замок Эльбор Рубин 1.08.02. Подробнее в отделе продаж.
Действующие скидки
Просмотренные товары


