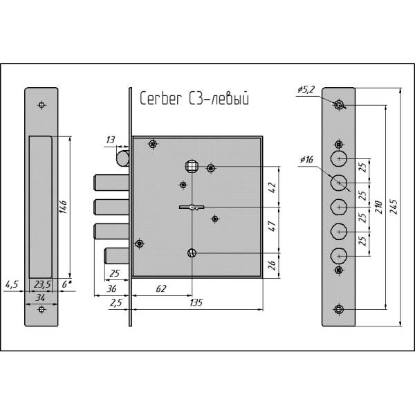
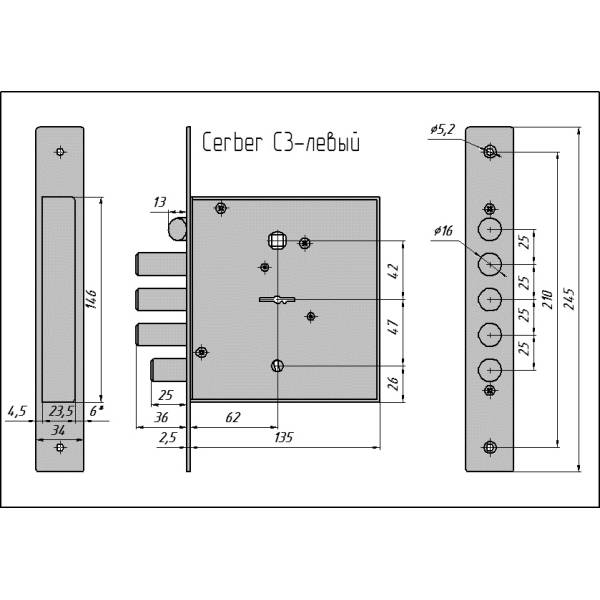
Замок врезной ЗВ C3 014 левый (З ригеля, защелка, задвижка) Цербер (10)
Замок врезной C3 014 (левый) З ригеля, защелка, задвижка CERBER взаимозаменяем с замками типа CLASS 012.
Замок врезной, сувальдный, с симметричным ключом, трехригельный с задвижкой.
Тип механизма сувальдный(8 сувальд); Количество комбинаций более 100 000; Толщина полотна двери 40-50 мм; Длина ключа 30*/45/60* мм; Количество полуоборотов 4; Количество ключей 4. С наружной и внутренней стороны открывается одинаковыми ключами. Замок без переналадки устанавливается на правые и левые двери. Доступны различные варианты комплектации: с российскими ключами; с итальянскими ключами; с запорной планкой; без запорной планки.
Защита от перепиливания: При попытке перепилить засов каленый ролик начинает вращаться и предотвращает дальнейшее перепиливание.
Защита от высверливания: Стойка засова защищена от высверливания, так как изготовлена из закаленной высокоуглеродистой стали.
Защита от вскрытия отмычками: Механизм замка имеет защиту от несанкционированного вскрытия отмычками, так как в сувальдах имеются специальные фальш-пазы. По желанию заказчика часть сувальд могут устанавливатся без пружин, что дает защиту от вскрытия методом самоэмпрессии.
Защита от свертывания: При попытке взломать замок свертышем ломается первым зуб хвостовика засова, а стойка остается целой, так как площадь поперечного сечения на зубе меньше, чем на стойке, при чем опирается эта стойка на четыре сувальды сверху и четыре сувальды снизу. Также стойка изготовлена из каленой стали, соответственно предельно допустимое напряжение среза выше чем у зуба хвостовика засова.
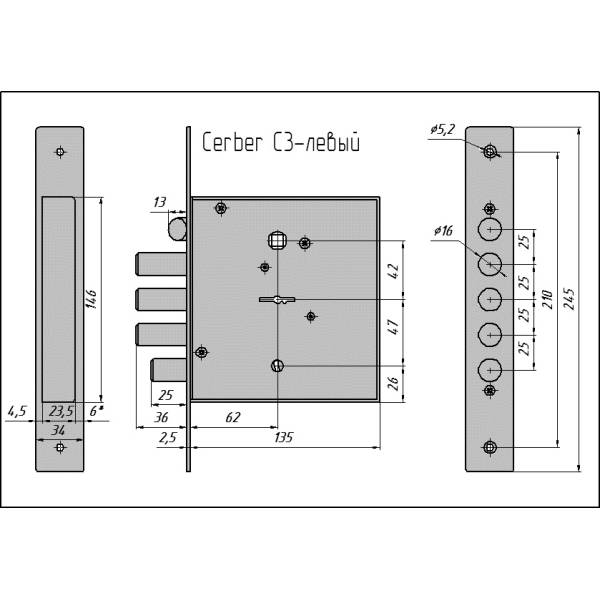
Замок врезной, сувальдный, с симметричным ключом, трехригельный с задвижкой.
Тип механизма сувальдный(8 сувальд); Количество комбинаций более 100 000; Толщина полотна двери 40-50 мм; Длина ключа 30*/45/60* мм; Количество полуоборотов 4; Количество ключей 4. С наружной и внутренней стороны открывается одинаковыми ключами. Замок без переналадки устанавливается на правые и левые двери. Доступны различные варианты комплектации: с российскими ключами; с итальянскими ключами; с запорной планкой; без запорной планки.
Защита от перепиливания: При попытке перепилить засов каленый ролик начинает вращаться и предотвращает дальнейшее перепиливание.
Защита от высверливания: Стойка засова защищена от высверливания, так как изготовлена из закаленной высокоуглеродистой стали.
Защита от вскрытия отмычками: Механизм замка имеет защиту от несанкционированного вскрытия отмычками, так как в сувальдах имеются специальные фальш-пазы. По желанию заказчика часть сувальд могут устанавливатся без пружин, что дает защиту от вскрытия методом самоэмпрессии.
Защита от свертывания: При попытке взломать замок свертышем ломается первым зуб хвостовика засова, а стойка остается целой, так как площадь поперечного сечения на зубе меньше, чем на стойке, при чем опирается эта стойка на четыре сувальды сверху и четыре сувальды снизу. Также стойка изготовлена из каленой стали, соответственно предельно допустимое напряжение среза выше чем у зуба хвостовика засова.
Действующие скидки
Просмотренные товары


