87310 Замок врезной ЗВ 8-8 Г/15 (без тяг, универсальный, 3 риг) BORDER (6)
СНЯТ С ПРОИЗВОДСТВА
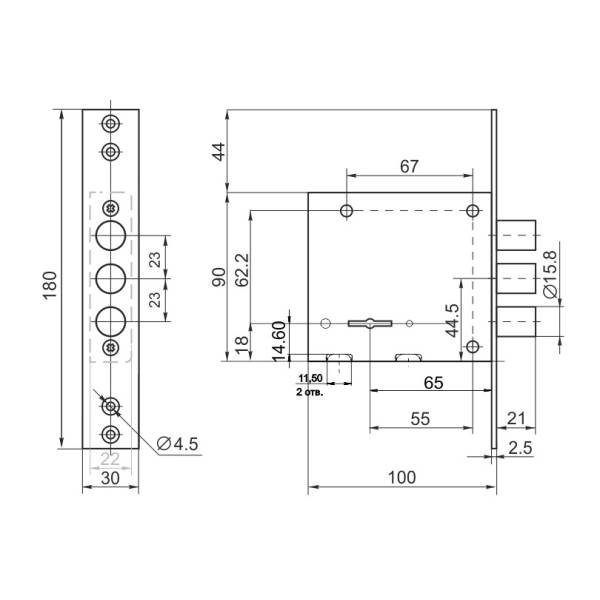
Корпус замка врезного БОРДЕР ЗВ 8-8 без ручек Г/15 тягами не комплектуется.
Замок дверной 87310 универсальный, т.е. устанавливается на двери правого левого открывания, имеет 3 ригеля.
Технические характеристики 87310 Бордер:
Тип ригелей цилиндрические;
Количество сувальд 8;
Количество ригелей 3;
Диаметр ригеля 15,8 мм;
Вылет ригелей 21 мм;
Количество ключей 5 шт;
Длина ключа 97 мм.
Количество комбинаций 250 000;
Возможность перекодировки отсутствует;
Возможность замены механизма секретности замка отсутствует;
Удаление ключевого отверстия (Backset) 65 мм;
Вылет ригелей 21 мм;
Количество точек запирания 1;
Защелка отсутствует;
Дополнительное запирание изнутри отсутствует;
Назначение общее.
Корпус замка врезного БОРДЕР 87310 ЗВ 8-8Г/15 крепится к дверному полотну посредством лицевой планки.
Цвет лицевой планки хром.
Покрытие лицевой планки гальваника.
Количество в упаковке 18 шт.
Аналог 87310 Бордер - Гардиан ЗВ 30.01.
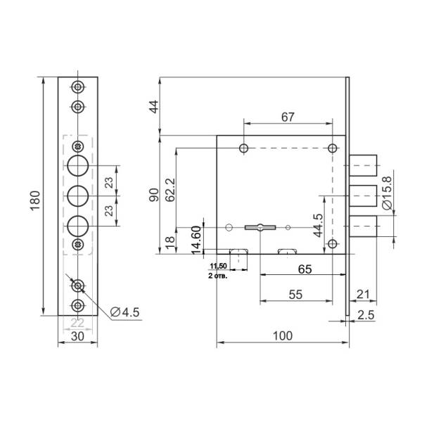
Корпус замка врезного БОРДЕР ЗВ 8-8 без ручек Г/15 тягами не комплектуется.
Замок дверной 87310 универсальный, т.е. устанавливается на двери правого левого открывания, имеет 3 ригеля.
Технические характеристики 87310 Бордер:
Тип ригелей цилиндрические;
Количество сувальд 8;
Количество ригелей 3;
Диаметр ригеля 15,8 мм;
Вылет ригелей 21 мм;
Количество ключей 5 шт;
Длина ключа 97 мм.
Количество комбинаций 250 000;
Возможность перекодировки отсутствует;
Возможность замены механизма секретности замка отсутствует;
Удаление ключевого отверстия (Backset) 65 мм;
Вылет ригелей 21 мм;
Количество точек запирания 1;
Защелка отсутствует;
Дополнительное запирание изнутри отсутствует;
Назначение общее.
Корпус замка врезного БОРДЕР 87310 ЗВ 8-8Г/15 крепится к дверному полотну посредством лицевой планки.
Цвет лицевой планки хром.
Покрытие лицевой планки гальваника.
Количество в упаковке 18 шт.
Аналог 87310 Бордер - Гардиан ЗВ 30.01.
Действующие скидки
Просмотренные товары


