Замок врезной ЗВ9 343.1.1 межосевое 85 мм 5 кл. Меттэм (20)
Замок врезной сувальдный МЕТТЭМ ЗВ9 343.1.1, сертифицирован на соответствие 4-му высшему классу ГОСТ 5089-2011, Р 52582-2006, 538-2014, подходят для установки во входные металлические или деревянные двери.
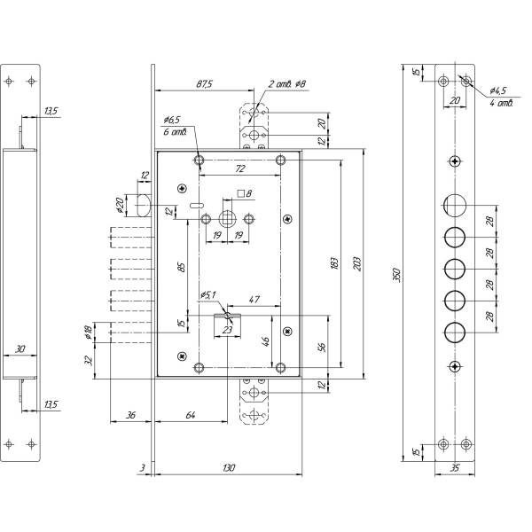
Габаритные размеры корпуса: 130х82,5х16 мм.
Технические характеристики: 8 сувальд - по 4 с каждой стороны ригельной планки; Удаление ключевого отверстия (бэксет) 64 мм; Ригелей 4, диаметр 18 мм, Вылет ригелей 36 мм;
Длина ключа (от головки до бородки) 50 мм.
Корпус Меттэм ЗВ9 343 изготовлен из оцинкованной стали толщиной 2 мм.
К замку возможно крепить ручки со стяжными винтами с межосевым расстоянием 85 мм.
Замок ЗВ 343 меттэм запирает дверь четырьмя стальными ригелями диаметром 18 мм, которые выдвигаются из корпуса замка на 36 мм.
В одном из ригелей - закаленный стальной стержень, обеспечивающий защиту от перепиливания.
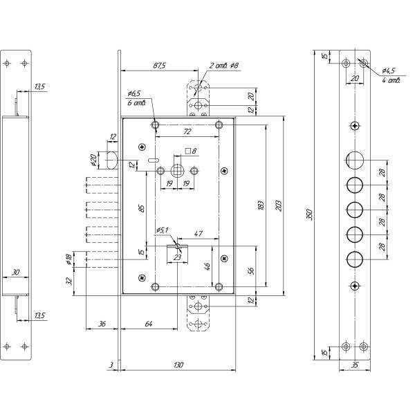
Габаритные размеры корпуса: 130х82,5х16 мм.
Технические характеристики: 8 сувальд - по 4 с каждой стороны ригельной планки; Удаление ключевого отверстия (бэксет) 64 мм; Ригелей 4, диаметр 18 мм, Вылет ригелей 36 мм;
Длина ключа (от головки до бородки) 50 мм.
Корпус Меттэм ЗВ9 343 изготовлен из оцинкованной стали толщиной 2 мм.
К замку возможно крепить ручки со стяжными винтами с межосевым расстоянием 85 мм.
Замок ЗВ 343 меттэм запирает дверь четырьмя стальными ригелями диаметром 18 мм, которые выдвигаются из корпуса замка на 36 мм.
В одном из ригелей - закаленный стальной стержень, обеспечивающий защиту от перепиливания.
Действующие скидки
Просмотренные товары


