Замок врезной ЗВ "Гардиан 30.11" с защелкой удлиненный ключ (15)
Врезной сувальдный замок Гардиан 30.11 с защелкой и верхней реверсивной защелкой сертифицирован по ГОСТ 5089-2011 2й класс защиты.
ДЛИННЫЙ КЛЮЧ
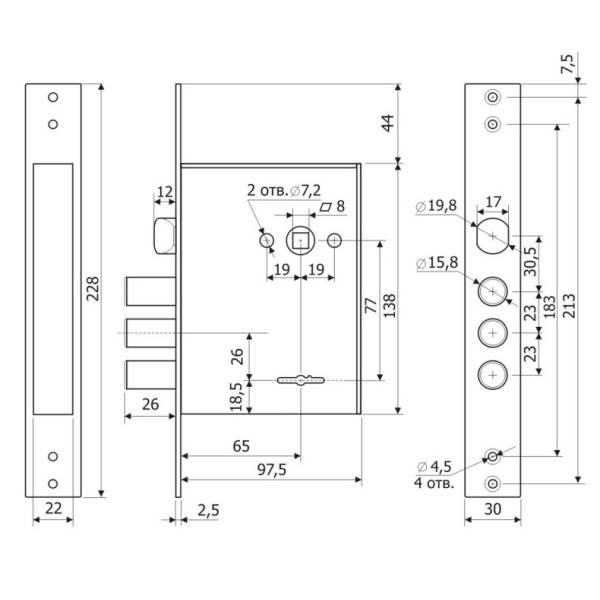
Технические характеристики:
трехригельный корпус замка;
ригели цилиндрические;
количество ригелей 3;
вылет ригелей 26 мм;
диаметр ригелей 15,8 мм;
механизм секретности замка сувальдный с двойной бородкой;
классическая универсальная защелка;
количество точек запирания 1;
Запирание не автоматическое.
Удаление ключевого отверстия (Backset) 65 мм.
Межосевое расстояние, т.е. расстояние от центра отверстия под ключ до центра квадрата под ручку, составляет 77 мм.
В комплекте 4 сувальдных ключа и крепеж.
Крепление корпуса замка лицевой планкой, покрытие лицевой планки гальваническое, цвет покрытия хром.
Гардиан 3011 рекомендован для установки во входныедеревянные и металлические двери.
Есть возможность установки ручек.
Ручки в комплект не входят.
К корпусу Гардиан 3011 необходимо подбирать ручки на планке с отверстием под сувальдный ключ и межосевым расстоянием 77 мм.
Подробнее у наших специалистов.
Замки Гардиан 30.01, Гардиан 30.04 и Гардиан 30.11 врезные восьмисувальдные имеют засов из 3х стержней круглого сечения даиметром 15,8 мм с максимальным выдвижением за один полный оборот ключа 26 мм.
Гардиан 30.04 имеет задвижку из одного стержня круглого сечения 15,8 мм диаметром с максимальным выдвижением засова при повороте вертушки на 90 градусов 26 мм.
Замок Гардиан 30.11 имеет переворачиваемую (без разборки замков) защелку, управляемую ручками с внешней и внутренней стороны.
ДЛИННЫЙ КЛЮЧ
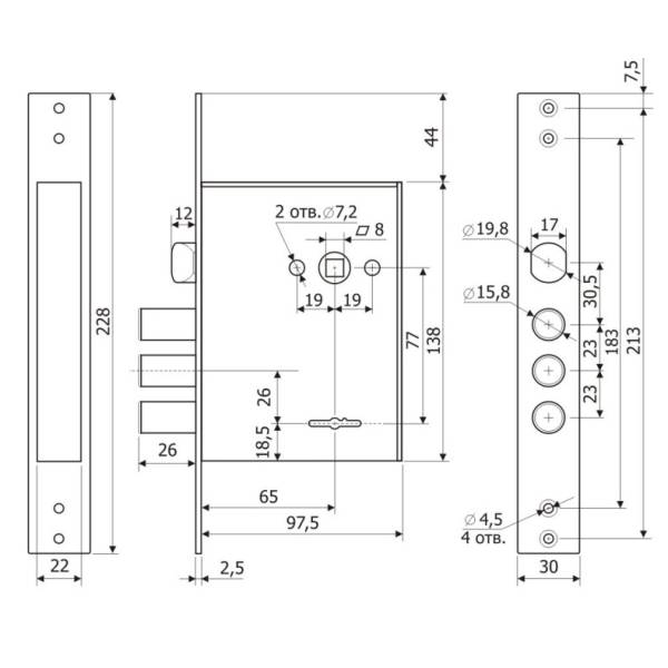
Технические характеристики:
трехригельный корпус замка;
ригели цилиндрические;
количество ригелей 3;
вылет ригелей 26 мм;
диаметр ригелей 15,8 мм;
механизм секретности замка сувальдный с двойной бородкой;
классическая универсальная защелка;
количество точек запирания 1;
Запирание не автоматическое.
Удаление ключевого отверстия (Backset) 65 мм.
Межосевое расстояние, т.е. расстояние от центра отверстия под ключ до центра квадрата под ручку, составляет 77 мм.
В комплекте 4 сувальдных ключа и крепеж.
Крепление корпуса замка лицевой планкой, покрытие лицевой планки гальваническое, цвет покрытия хром.
Гардиан 3011 рекомендован для установки во входныедеревянные и металлические двери.
Есть возможность установки ручек.
Ручки в комплект не входят.
К корпусу Гардиан 3011 необходимо подбирать ручки на планке с отверстием под сувальдный ключ и межосевым расстоянием 77 мм.
Подробнее у наших специалистов.
Замки Гардиан 30.01, Гардиан 30.04 и Гардиан 30.11 врезные восьмисувальдные имеют засов из 3х стержней круглого сечения даиметром 15,8 мм с максимальным выдвижением за один полный оборот ключа 26 мм.
Гардиан 30.04 имеет задвижку из одного стержня круглого сечения 15,8 мм диаметром с максимальным выдвижением засова при повороте вертушки на 90 градусов 26 мм.
Замок Гардиан 30.11 имеет переворачиваемую (без разборки замков) защелку, управляемую ручками с внешней и внутренней стороны.
Действующие скидки
Просмотренные товары


