71611 Замок врезной ЗВ8-8К5Т/15 с тягами, универсальный, 5 ригелей, 5 кл. 85мм BORDER (6)
Замок врезной БОРДЕР 71611 ЗВ 8-8 К.5Т/15 (КСП2-88) ЛП8.БР.П.В17,5 (71611) - корпус замка без ручек с тягами, универсальный, 5 ригелей.
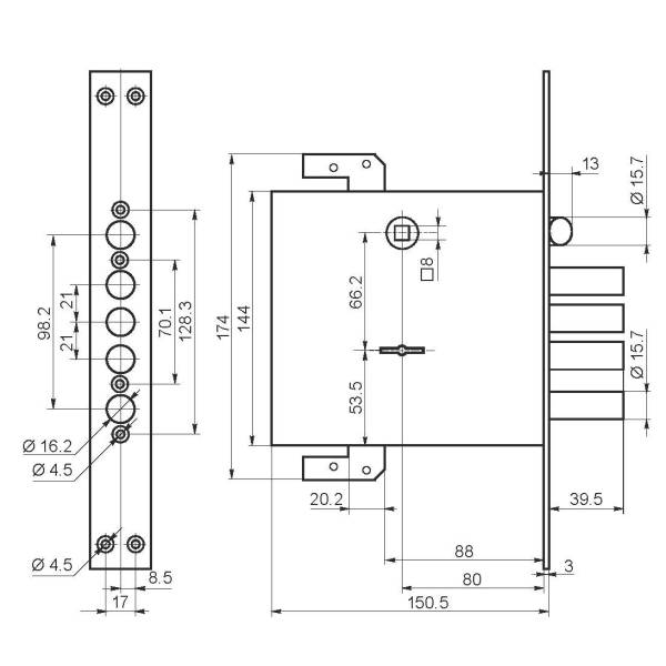
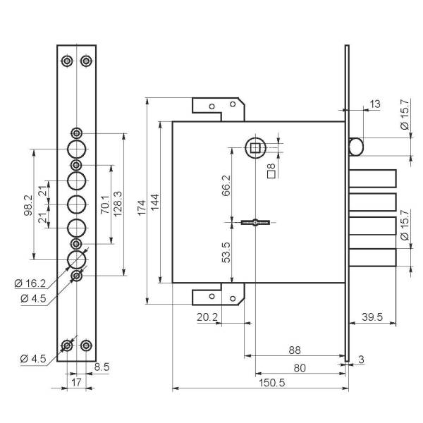
Техническое описание Бордер 71611:
Замок дверной верхний врезной универсальный с тягами.
Количество сувальд 8;
Механизм секретности замка сувальдный;
Количество комбинаций 250 000;
Тяги;
Количество штырей 5;
Вылет ригелей 39,5 мм;
Диаметр ригелей 15,7 мм.
Удаление ключевого отверстия 80 мм.
Длина ключа 85 мм;
Ключи латунные с пластиковой головкой;
количество ключей 5 шт.,
количество в упаковке 6 шт.;
вес транспортной упаковки 11,6 кг.
Модель замка дверного ЗВ 8-8 МК5Т/15.
Аналогом ЗВ 71611 Бордер является замок Борден 71605 (идентичны, длина ключа 102 мм) или Замок врезной BORDER (77741) ЗВ 9-8 МК.4Т/15 (6 сувальд без тяг). Узначть отличия у специалистов отдела продаж.
Замок Бордер ЗВ8-8К5 выпускаются в следующих комплектациях:
71602 замок без тяг длина ключа 85 мм;
71611 замок с тягами длина ключа 85 мм;
71601 замок без тяг длина ключа 102 мм;
71605 замок с тягами длина ключа 102 мм.
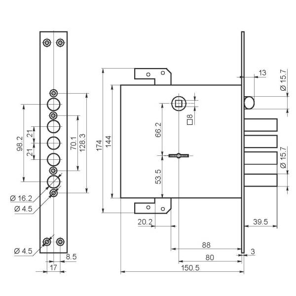
Техническое описание Бордер 71611:
Замок дверной верхний врезной универсальный с тягами.
Количество сувальд 8;
Механизм секретности замка сувальдный;
Количество комбинаций 250 000;
Тяги;
Количество штырей 5;
Вылет ригелей 39,5 мм;
Диаметр ригелей 15,7 мм.
Удаление ключевого отверстия 80 мм.
Длина ключа 85 мм;
Ключи латунные с пластиковой головкой;
количество ключей 5 шт.,
количество в упаковке 6 шт.;
вес транспортной упаковки 11,6 кг.
Модель замка дверного ЗВ 8-8 МК5Т/15.
Аналогом ЗВ 71611 Бордер является замок Борден 71605 (идентичны, длина ключа 102 мм) или Замок врезной BORDER (77741) ЗВ 9-8 МК.4Т/15 (6 сувальд без тяг). Узначть отличия у специалистов отдела продаж.
Замок Бордер ЗВ8-8К5 выпускаются в следующих комплектациях:
71602 замок без тяг длина ключа 85 мм;
71611 замок с тягами длина ключа 85 мм;
71601 замок без тяг длина ключа 102 мм;
71605 замок с тягами длина ключа 102 мм.
Действующие скидки
Просмотренные товары


