77412 Замок врезной ЗВ 9-6ЛК.З/15 без тяг, левый, 5 кл. 102мм BORDER (6)
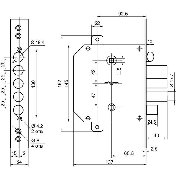
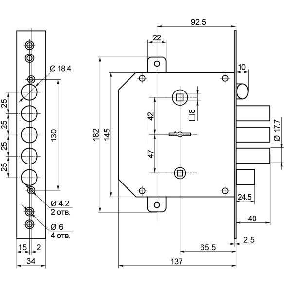
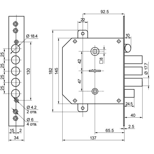
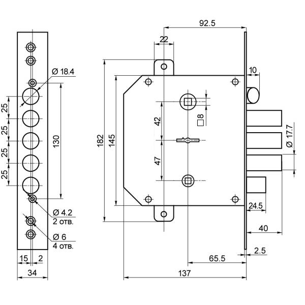
Замок врезной Бордер 77412 ЗВ 9-6 ЛК.З/15 (КЛП-104)ЛПЗ БРП.В.В9 У2 с защелкой и задвижкой без ручек модель ЛК.З/15 (КЛП-104)ЛПЗ БРП.В.В9 У2 без тяг, левый, нижний врезной - замок шестисувальдный врезной с защелкой, управляемой ручками и задвижкой ЗВ9-6К.3 класс 4 ГОСТ 5089-2011.
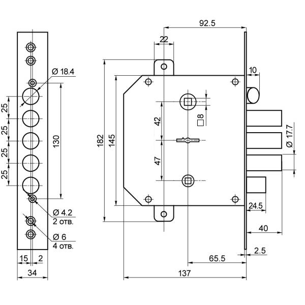
Технические характеристики ЗВ 77412 Бордер:
Тип замка врезной сувальдный;
Количество сувальд 6;
Нижняя задвижка;
Верхняя защелка;
Модель дверного замка правый или левый;
Количество комбинаций 120 000;
Вылет ригелей 40 мм;
Количество ригелей 3 шт;
Межосевое расстояние 42 мм;
Бэксет (удаление ключевого отверстия) 65,5 мм;
Диаметр ригелей 17,7 мм;
Механизм секретности замка сувальдный;
Количество ключей 5 шт.;
Материал ключа латунный с пластиковой головкой;
Длина ключа 102 мм.
Бордер 77412 ЗВ9-6К.3 предназначен для установки в металлические двери квартир, подъездов, гаражей, ангаров, т.п., толщина полотна которых 40-50 мм.
Замок 77412 Бордер обладается следующими свойствами: - все детали выполнены из высокопрочной стали.
В конструкции замка отсутствуют детали из пластика или легких сплавов, что позволяет использовать замок в противопожарных дверях.
Замок обладает высокой секретностью, имеет более 50 тыс неповторяющихся вариантов ключей
Применение броненакладки и закаленного хвостовика засова предохраняет от высверливания сувальный механизм замка.
На сувальдах изготовлены насечки в виде "ложных" пазов, что позволяет повысить охранные свойства замка.
Бордер 77412 имеет защелку, задвижку, засов из трех мощных цилиндрических штырей. В одном из штырей запрессован закаленный стержень - защита от перепиливания.
Засов Бордер ЗВ9-6К.Т3 с зацепом имеет противоотжимные пазы (зацепы).
Уникальная система "зацеп" запатентована. Ослабленные зубья на пластине засова служат защитой от взлома "свертышем".
77412 Бордер ЗВ9-6К.Т3 с зацепом имеет две вертикальные тяги, предназначенные для крепления дополнительных засовов и выдвигаются на 20 мм одновременно с основным засовом вверх и вниз.
Подобрать ручку к корпусу замка 77412 Бордер с м
Технические характеристики ЗВ 77412 Бордер:
Тип замка врезной сувальдный;
Количество сувальд 6;
Нижняя задвижка;
Верхняя защелка;
Модель дверного замка правый или левый;
Количество комбинаций 120 000;
Вылет ригелей 40 мм;
Количество ригелей 3 шт;
Межосевое расстояние 42 мм;
Бэксет (удаление ключевого отверстия) 65,5 мм;
Диаметр ригелей 17,7 мм;
Механизм секретности замка сувальдный;
Количество ключей 5 шт.;
Материал ключа латунный с пластиковой головкой;
Длина ключа 102 мм.
Бордер 77412 ЗВ9-6К.3 предназначен для установки в металлические двери квартир, подъездов, гаражей, ангаров, т.п., толщина полотна которых 40-50 мм.
Замок 77412 Бордер обладается следующими свойствами: - все детали выполнены из высокопрочной стали.
В конструкции замка отсутствуют детали из пластика или легких сплавов, что позволяет использовать замок в противопожарных дверях.
Замок обладает высокой секретностью, имеет более 50 тыс неповторяющихся вариантов ключей
Применение броненакладки и закаленного хвостовика засова предохраняет от высверливания сувальный механизм замка.
На сувальдах изготовлены насечки в виде "ложных" пазов, что позволяет повысить охранные свойства замка.
Бордер 77412 имеет защелку, задвижку, засов из трех мощных цилиндрических штырей. В одном из штырей запрессован закаленный стержень - защита от перепиливания.
Засов Бордер ЗВ9-6К.Т3 с зацепом имеет противоотжимные пазы (зацепы).
Уникальная система "зацеп" запатентована. Ослабленные зубья на пластине засова служат защитой от взлома "свертышем".
77412 Бордер ЗВ9-6К.Т3 с зацепом имеет две вертикальные тяги, предназначенные для крепления дополнительных засовов и выдвигаются на 20 мм одновременно с основным засовом вверх и вниз.
Подобрать ручку к корпусу замка 77412 Бордер с м
Действующие скидки
Просмотренные товары






