78930 Замок врезной ЗВ4-3 (медь, 3 ригеля, без МЦ, м/о 55 мм) ПроСам (15)
Замок врезной 78930 ПроСам ЗВ4-31/55.РФ14-002 укомплектован фалевыми нажимными ручками, стальной защелкой, 3 ригеля, без цилиндрового механизма.
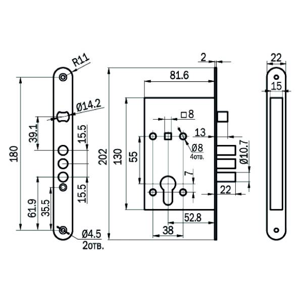
Замок ЗВ4-31/55.РФ55-002 Просам предназначен для входных и внутренних дверей толщиной 40-50 мм жилых домов, квартир, торговых и конторских помещений.
Корпус Просам 78930 универсальный, его можно устанавливать как в правые, так и в левые двери, переустановив защелку.
Технические характеристики: Межосевое расстояние 55 мм. Корпус с засовом из трех стальных стержней круглого сечения. Стальная защелка. Вылет ригелей 22 мм; диаметр ригеля 10,7 мм; габаритные размеры корпуса: 130х82х18 мм.
Покрытие корпуса замка цинковое. Покрытие лицевой и ответной планок никелевое.
Комплектуется 6 стальными ключами.
Дверь может быть закрыта на защелку и открыта с помощью фалевой ручки при открытом засове замка.
Фурнитура для дверного замка Просам ЗВ 78930 : РФ55, РФ34; Модель ЗВ 4-31/55 РФ55-002.У4. Накладки с фалевыми ручками, покрытие ручек медный антик.
Количество в транспортной упаковке 8 шт., вес упаковки 9,00 кг.
Замок ЗВ4-31/55.РФ55-002 Просам предназначен для входных и внутренних дверей толщиной 40-50 мм жилых домов, квартир, торговых и конторских помещений.
Корпус Просам 78930 универсальный, его можно устанавливать как в правые, так и в левые двери, переустановив защелку.
Технические характеристики: Межосевое расстояние 55 мм. Корпус с засовом из трех стальных стержней круглого сечения. Стальная защелка. Вылет ригелей 22 мм; диаметр ригеля 10,7 мм; габаритные размеры корпуса: 130х82х18 мм.
Покрытие корпуса замка цинковое. Покрытие лицевой и ответной планок никелевое.
Комплектуется 6 стальными ключами.
Дверь может быть закрыта на защелку и открыта с помощью фалевой ручки при открытом засове замка.
Фурнитура для дверного замка Просам ЗВ 78930 : РФ55, РФ34; Модель ЗВ 4-31/55 РФ55-002.У4. Накладки с фалевыми ручками, покрытие ручек медный антик.
Количество в транспортной упаковке 8 шт., вес упаковки 9,00 кг.
Действующие скидки
Просмотренные товары






