Замок врезной ЗВ "Гардиан 21.12 Т" (лев.) МАКСИМУМ
Замок врезной сувальдный Гардиан 21.12 Т (левый) МАКСИМУМ с тягами и верхней реверсивной защелкой для металлических дверей, шкафов и сейфовых дверей.
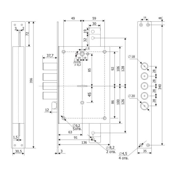
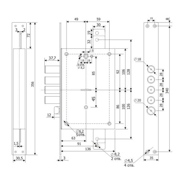
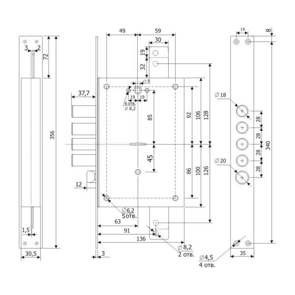
Технические характеристики: Четырехригельный корпус замка. Ригели цилиндрические. Вылет ригелей 37,7 мм.
Механизм секретности замка сувальдный с двойной бородкой. Классическая универсальная защелка.
Удаление ключевого отверстия (Backset) 63 мм. Межосевое расстояние 85 мм.
Количество точек запирания 3. Запирание не автоматическое. Крепление врезного замка лицевой планкой.
Покрытие лицевой планки гальваническое. Цвет покрытия хром.
В комплекте 5 ключей.
Ручки в комплект не входят.
Врезной сувальдный Гардиан-2112 рекомендован для установки в бронированные металлические входные двери.
Особенности Гардиан 2112 ДТ:
Ложные пазы на стойке и сувальдах, увеличенная жесткость пружин сувальд обеспечивают защиту от вскрытия отмычкой; Ослабленный зуб рейки хвостовика увеличивает защиту от свертыша; Усиленная конструкция засова обеспечивают защиту от взлома; Закаленная стойка рейки хвостовика усиливает защиту от высверливания. Бронепластина от высверливания, защита от самонаборного ключа, ограниченный доступ отмычек в замочную скважину.
Узнайте подробнее в отделе продаж.
Технические характеристики: Четырехригельный корпус замка. Ригели цилиндрические. Вылет ригелей 37,7 мм.
Механизм секретности замка сувальдный с двойной бородкой. Классическая универсальная защелка.
Удаление ключевого отверстия (Backset) 63 мм. Межосевое расстояние 85 мм.
Количество точек запирания 3. Запирание не автоматическое. Крепление врезного замка лицевой планкой.
Покрытие лицевой планки гальваническое. Цвет покрытия хром.
В комплекте 5 ключей.
Ручки в комплект не входят.
Врезной сувальдный Гардиан-2112 рекомендован для установки в бронированные металлические входные двери.
Особенности Гардиан 2112 ДТ:
Ложные пазы на стойке и сувальдах, увеличенная жесткость пружин сувальд обеспечивают защиту от вскрытия отмычкой; Ослабленный зуб рейки хвостовика увеличивает защиту от свертыша; Усиленная конструкция засова обеспечивают защиту от взлома; Закаленная стойка рейки хвостовика усиливает защиту от высверливания. Бронепластина от высверливания, защита от самонаборного ключа, ограниченный доступ отмычек в замочную скважину.
Узнайте подробнее в отделе продаж.
Действующие скидки
Просмотренные товары


