Замок врезной ЗВ 1323/60-AC (медь) 40/80 Апекс (16)
Замок врезной 1323/60-AC (медь) Apecs межосевое 80 мм, бэксет 40 мм.
Замок Апекс 1323 рекомендован для установки в входные и межкомнатные двери.
Технические характеристики:
ригель классический прямоугольный;
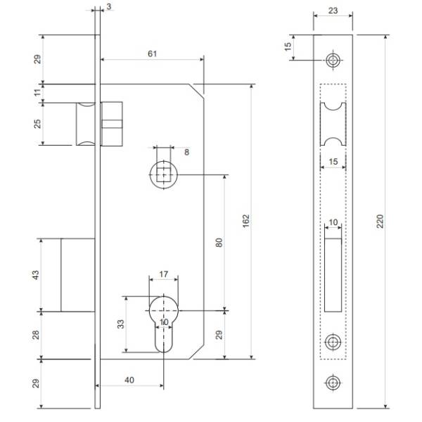
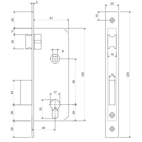
Вылет ригеля 20 мм;
Удаление ключевого отверстия (Backset) 40 мм;
Межосевое 80 мм;
Механизм секретности замка цилиндровый;
Ключ английский;
Количество ключей 5;
Цилиндровым механизмом комплектуется;
Размер цилиндра 30х30;
Материал цилиндра латунь;
Покрытие цилиндрового механизма гальваника;
Цвет цилиндра золото;
Защелка классическая;
Ручками комплектуется;
Способ установки ручки стяжки;
Материал ручки алюминий;
Покрытие ручек гальваника;
Цвет ручки медь;
Запирание не автоматическое;
Количество точек запирания 1;
Покрытие лицевой планки гальваника;
Цвет лицевой планки бронза;
Тип защелки универсальная.
Замок Апекс 1323 рекомендован для установки в входные и межкомнатные двери.
Технические характеристики:
ригель классический прямоугольный;
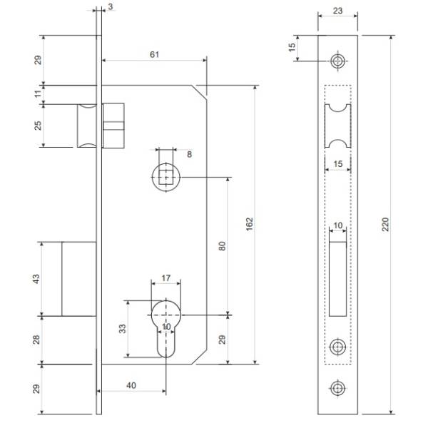
Вылет ригеля 20 мм;
Удаление ключевого отверстия (Backset) 40 мм;
Межосевое 80 мм;
Механизм секретности замка цилиндровый;
Ключ английский;
Количество ключей 5;
Цилиндровым механизмом комплектуется;
Размер цилиндра 30х30;
Материал цилиндра латунь;
Покрытие цилиндрового механизма гальваника;
Цвет цилиндра золото;
Защелка классическая;
Ручками комплектуется;
Способ установки ручки стяжки;
Материал ручки алюминий;
Покрытие ручек гальваника;
Цвет ручки медь;
Запирание не автоматическое;
Количество точек запирания 1;
Покрытие лицевой планки гальваника;
Цвет лицевой планки бронза;
Тип защелки универсальная.
Действующие скидки
Просмотренные товары


