Замок врезной ЗВ 1330/60-AC (медь) 40/80 Апекс (16)
Замок врезной 1330/60-AC (медь) APECS. Врезной дверной замок с ручками Apecs Standard.
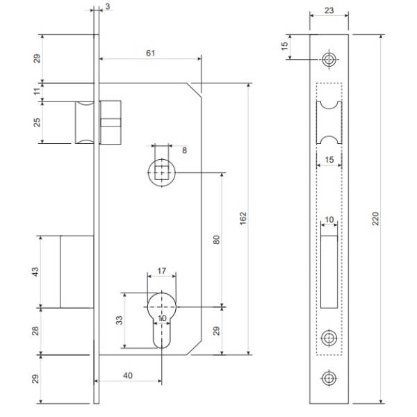
Замок врезной межосевое 80 мм, бэксет 40 мм.
Замок Апекс 1330 рекомендован для установки в входные и межкомнатные двери.
Технические характеристики:
ригель классический прямоугольный;
Вылет ригеля 20 мм;
Удаление ключевого отверстия (Backset) 40 мм;
Межосевое 80 мм;
Механизм секретности замка цилиндровый;
Ключ английский;
Количество ключей 5;
Цилиндровым механизмом комплектуется;
Размер цилиндра 30х30;
Материал цилиндра латунь;
Покрытие цилиндрового механизма гальваника;
Цвет цилиндра золото;
Защелка классическая;
Ручками комплектуется;
Способ установки ручки стяжки;
Материал ручки алюминий;
Покрытие ручек гальваника;
Цвет ручки медь;
Запирание не автоматическое;
Количество точек запирания 1;
Покрытие лицевой планки гальваника;
Цвет лицевой планки бронза;
Тип защелки универсальная.
Замок сертифицирован в системе Госстандарта России.
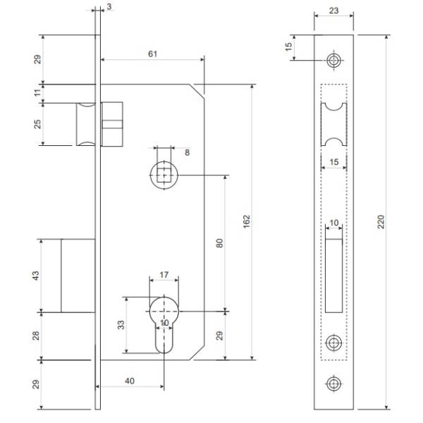
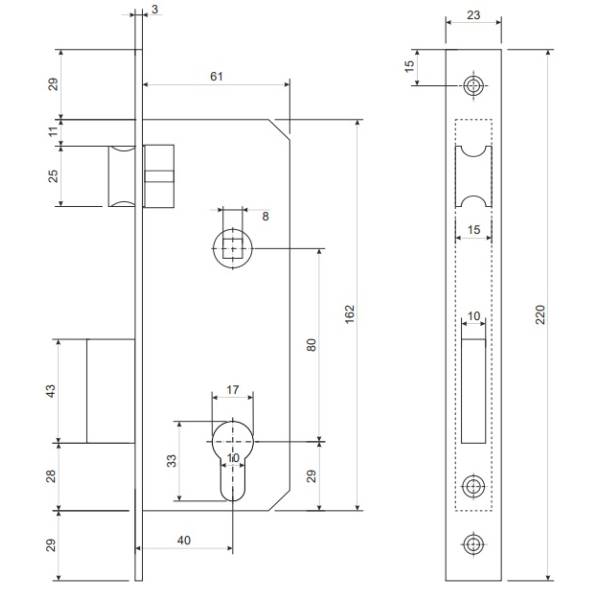
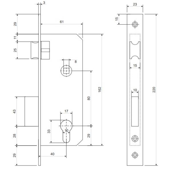
Замок врезной межосевое 80 мм, бэксет 40 мм.
Замок Апекс 1330 рекомендован для установки в входные и межкомнатные двери.
Технические характеристики:
ригель классический прямоугольный;
Вылет ригеля 20 мм;
Удаление ключевого отверстия (Backset) 40 мм;
Межосевое 80 мм;
Механизм секретности замка цилиндровый;
Ключ английский;
Количество ключей 5;
Цилиндровым механизмом комплектуется;
Размер цилиндра 30х30;
Материал цилиндра латунь;
Покрытие цилиндрового механизма гальваника;
Цвет цилиндра золото;
Защелка классическая;
Ручками комплектуется;
Способ установки ручки стяжки;
Материал ручки алюминий;
Покрытие ручек гальваника;
Цвет ручки медь;
Запирание не автоматическое;
Количество точек запирания 1;
Покрытие лицевой планки гальваника;
Цвет лицевой планки бронза;
Тип защелки универсальная.
Замок сертифицирован в системе Госстандарта России.
Покупатели этого товара так же приобрели:
Действующие скидки
Просмотренные товары






