77741 Замок врезной ЗВ9-8МК4Т/15(КЛП5-102) универс. тяги, защелка, 4 ригеля, 5 кл. 102 мм BORDER (6)
Замок нижний врезной с защелкой и тягами БОРДЕР (77741) 9-8МК.4Т/15(КЛП2-102)ЛП8.В17.У1 универсальный, т.е. подходит для дверей правого и левого открывания.
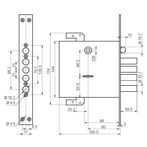
Корпус Бордер 77741 четырехригельный под ручки без ночного сторожа (без задвижки).
В комплекте 5 латунных ключей (длина ключа 102 мм) с черной пластиковой головкой, защитная пластина и крепеж, с тягами, с защелкой, ручки в комплекте отсутствуют.
Технические характеристики ЗВ 77741 БОРДЕР:
круглые ригели диаметром 15,7 мм с ходом (вылет ригелей) 39,5 мм.
Количество штырей 4.
Межосевое расстояние 66,2 мм.
Бэксет или удаление ключевого отверстия 80 мм.
Механизм секретности замка сувальдный;
Количество комбинаций - секретность - 250 000;
Длина ключа 102 мм общая, рабочая 80 мм.
Количество ключей 5 шт.
Размер корпуса: глубина врезки 153,5 мм, высота 144 мм.
Торцевая планка 285 х 34 мм.
Замок дверной 77741 БОРДЕР рекомендован для установки во входные металлические двери.
Купить замки врезные БОРДЕР для входных дверей оптом или в розницу в Ростове-на-Дону.
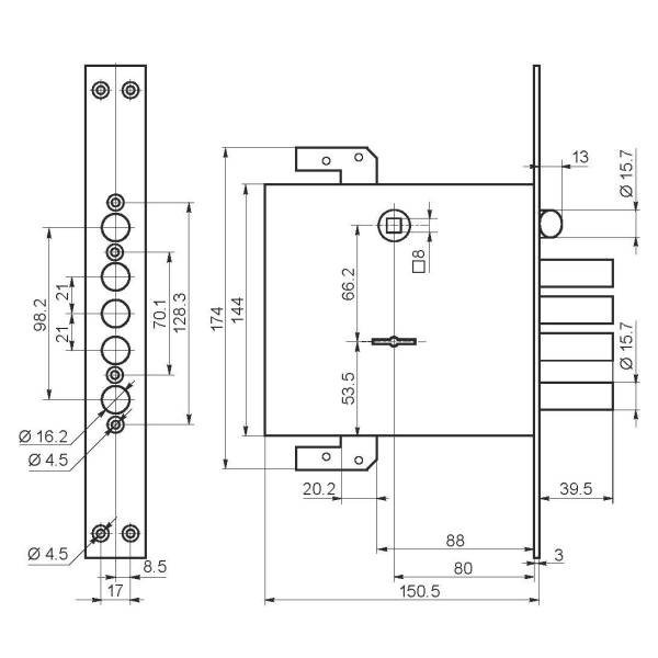
Корпус Бордер 77741 четырехригельный под ручки без ночного сторожа (без задвижки).
В комплекте 5 латунных ключей (длина ключа 102 мм) с черной пластиковой головкой, защитная пластина и крепеж, с тягами, с защелкой, ручки в комплекте отсутствуют.
Технические характеристики ЗВ 77741 БОРДЕР:
круглые ригели диаметром 15,7 мм с ходом (вылет ригелей) 39,5 мм.
Количество штырей 4.
Межосевое расстояние 66,2 мм.
Бэксет или удаление ключевого отверстия 80 мм.
Механизм секретности замка сувальдный;
Количество комбинаций - секретность - 250 000;
Длина ключа 102 мм общая, рабочая 80 мм.
Количество ключей 5 шт.
Размер корпуса: глубина врезки 153,5 мм, высота 144 мм.
Торцевая планка 285 х 34 мм.
Замок дверной 77741 БОРДЕР рекомендован для установки во входные металлические двери.
Купить замки врезные БОРДЕР для входных дверей оптом или в розницу в Ростове-на-Дону.
Действующие скидки
Просмотренные товары


