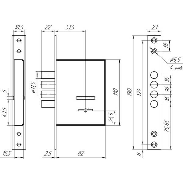
Замок врезной ЗВ8 190.0.0 Меттэм (20)
Замок врезной ЗВ8 190.0.0 Меттэм сувальдный 5 ключей 2го класса безопасности типа ЗВ8 сертифицирован по ГОСТ 5089-2011, ГОСТ 538-2014, ГОСТ Р52582-2006, предназначен для установки во входные двери в качестве дополнительного запирающего устройства, не имеет защелки.
Меттэм ЗВ8 190 является аналогом замка KALE 189 4/FM с крестовым ключом.
Корпус ЗВ8 190.0.0 комплектуется удлиненными накладками на ключевую скважину, которые полностью соответствуют накладкам KALE.
Технические характеристики: корпус сувальдный, 2-й класс безопасности; материал корпуса сталь, покрытие порошковая краска; стальные ригели, покрытие ригелей никель; количество сувальд 6 - по 3 с каждой стороны ригельной планки; количество полуоборотов 2; бэксет 51,5 мм; количество ригелей 4; диаметр ригелей 12 мм; вылет ригелей 22 мм; лицевая планка сталь, покрытие - никель.
Габариты корпуса замка 190х84,5х23 мм.
Количество ключей 3/5 шт.; длина ключа (от головки до бородки) 48 мм. Упаковка - картонная коробка; количество в упаковке 20 шт.; масса брутто упаковки 14,45 кг; масса брутто 1 шт. 0,7 кг.
ЗВ8 190.0.0 Замок ЗВ8 190.0.0 имеет одно направление запирания: четыре стальные ригеля диаметром 12 мм выдвигаются из корпуса замка на 22 мм, запирание происходит на 2 полуоборота. Замок ЗВ8 190.0.0 МЕТТЭМ комплектуется стальной лицевой планкой, а также тремя или пятью (по желанию заказчика) латунными ключами с пластиковой головкой и двумя декоративными накладками из нержавеющей стали.
Базовая комплектация ЗВ8 190.0.0: замок, комплект накладок, ключи, паспорт, упаковка; детали по заказу запорная планка ЗВ8 19.002; гарантия завода-изготовителя 2 года со дня продажи при условии соблюдения правил установки и эксплуатации. Купить замки врезные МЕТТЭМ ЗВ8 190.0.0 оптом или в розницу в Ростове-на-Дону.
Меттэм ЗВ8 190 является аналогом замка KALE 189 4/FM с крестовым ключом.
Корпус ЗВ8 190.0.0 комплектуется удлиненными накладками на ключевую скважину, которые полностью соответствуют накладкам KALE.
Технические характеристики: корпус сувальдный, 2-й класс безопасности; материал корпуса сталь, покрытие порошковая краска; стальные ригели, покрытие ригелей никель; количество сувальд 6 - по 3 с каждой стороны ригельной планки; количество полуоборотов 2; бэксет 51,5 мм; количество ригелей 4; диаметр ригелей 12 мм; вылет ригелей 22 мм; лицевая планка сталь, покрытие - никель.
Габариты корпуса замка 190х84,5х23 мм.
Количество ключей 3/5 шт.; длина ключа (от головки до бородки) 48 мм. Упаковка - картонная коробка; количество в упаковке 20 шт.; масса брутто упаковки 14,45 кг; масса брутто 1 шт. 0,7 кг.
ЗВ8 190.0.0 Замок ЗВ8 190.0.0 имеет одно направление запирания: четыре стальные ригеля диаметром 12 мм выдвигаются из корпуса замка на 22 мм, запирание происходит на 2 полуоборота. Замок ЗВ8 190.0.0 МЕТТЭМ комплектуется стальной лицевой планкой, а также тремя или пятью (по желанию заказчика) латунными ключами с пластиковой головкой и двумя декоративными накладками из нержавеющей стали.
Базовая комплектация ЗВ8 190.0.0: замок, комплект накладок, ключи, паспорт, упаковка; детали по заказу запорная планка ЗВ8 19.002; гарантия завода-изготовителя 2 года со дня продажи при условии соблюдения правил установки и эксплуатации. Купить замки врезные МЕТТЭМ ЗВ8 190.0.0 оптом или в розницу в Ростове-на-Дону.
Действующие скидки
Просмотренные товары


