Замок врезной ЗВ5 501.0.0 Меттэм
Замок врезной ЗВ5 501.0.0 Меттэм - врезной цилиндровый замок 2 класса типа ЗВ5, сертифицирован по ГОСТ 5089 2011, Р 52582 2006, 538 2014, 2й класс безопасности.
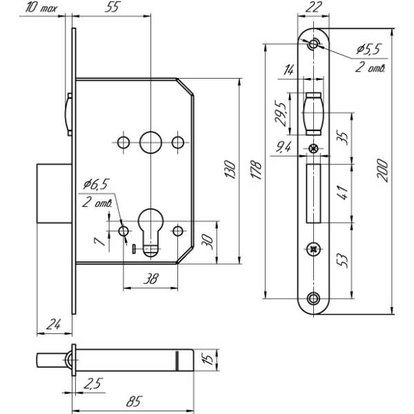
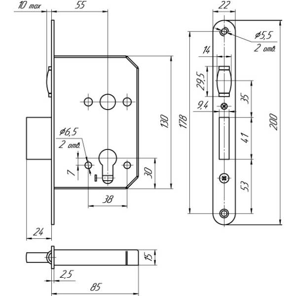
Дверные замки типа ЗВ5 501 предназначены для установки во входные двери.
Корпус имеет одно направление запирания: стальной прямоугольный ригель выдвигается из корпуса замка на 24 мм ,запирание происходит на два оборота.
Дверной замок ЗВ8 501.0.0 Меттэм оснащен роликовой защелкой, применяется в качестве основного запирающего устройства.
Меттэм ЗВ8 501 устанавливается на металлические или деревянные двери.
Корпус повышенной жесткости усилен втулками, что позволяет крепить врезную броненакладку.
Модель ЗВ5 501 комплектуется стальными лицевой и запорной планками, а также двумя декоративными накладками из нержавеющей стали и винтом М5Х60 для крепления цилиндрового механизма.
Технические характеристики ЗВ8 501.0.0 Меттэм:
2 класс ГОСТ; корпус сталь, покрытие - порошковая краска; ригели сталь, покрытие - никель;
межосевое расстояние 55 мм;
количество оборотов 2;
бэксет 55 мм;
количество ригелей 1; вылет ригеля 24 мм;
защёлка;
лицевая планка сталь, покрытие - никель.
Габаритные размеры корпуса замка 200х85х22 мм.
Заводская комплектация: картонная коробка; количество в упаковке 20 шт.; масса брутто упаковки 15,95 кг; масса брутто 1 шт. 0,78 кг; запорная планка.
Базовая комплектация: врезной замок, запорная планка, комплект накладок ЗВ1.001, винт М5Х60, паспорт, упаковка.
Гарантия завода-изготовителя 2 года со дня продажи при соблюдении правил установки и эксплуатации.
Купить замки врезные или накладные МЕТТЭМ оптом или в розницу в Ростове-на-Дону.
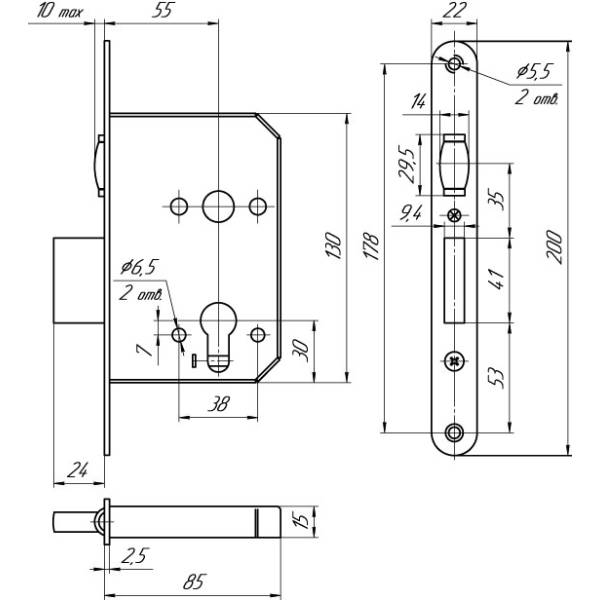
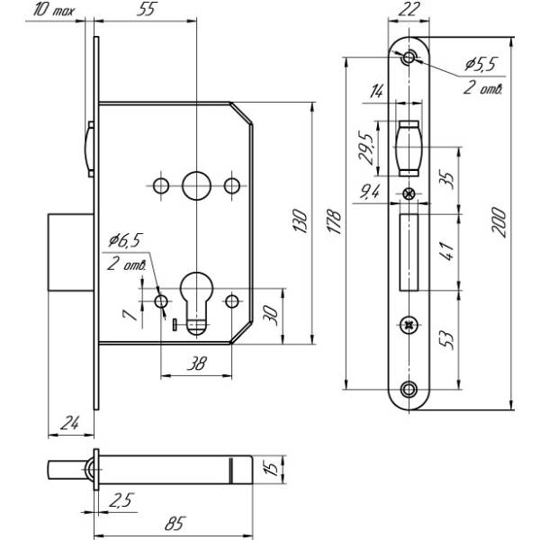
Дверные замки типа ЗВ5 501 предназначены для установки во входные двери.
Корпус имеет одно направление запирания: стальной прямоугольный ригель выдвигается из корпуса замка на 24 мм ,запирание происходит на два оборота.
Дверной замок ЗВ8 501.0.0 Меттэм оснащен роликовой защелкой, применяется в качестве основного запирающего устройства.
Меттэм ЗВ8 501 устанавливается на металлические или деревянные двери.
Корпус повышенной жесткости усилен втулками, что позволяет крепить врезную броненакладку.
Модель ЗВ5 501 комплектуется стальными лицевой и запорной планками, а также двумя декоративными накладками из нержавеющей стали и винтом М5Х60 для крепления цилиндрового механизма.
Технические характеристики ЗВ8 501.0.0 Меттэм:
2 класс ГОСТ; корпус сталь, покрытие - порошковая краска; ригели сталь, покрытие - никель;
межосевое расстояние 55 мм;
количество оборотов 2;
бэксет 55 мм;
количество ригелей 1; вылет ригеля 24 мм;
защёлка;
лицевая планка сталь, покрытие - никель.
Габаритные размеры корпуса замка 200х85х22 мм.
Заводская комплектация: картонная коробка; количество в упаковке 20 шт.; масса брутто упаковки 15,95 кг; масса брутто 1 шт. 0,78 кг; запорная планка.
Базовая комплектация: врезной замок, запорная планка, комплект накладок ЗВ1.001, винт М5Х60, паспорт, упаковка.
Гарантия завода-изготовителя 2 года со дня продажи при соблюдении правил установки и эксплуатации.
Купить замки врезные или накладные МЕТТЭМ оптом или в розницу в Ростове-на-Дону.
Действующие скидки
Просмотренные товары






