Замок врезной ЗВ 900 3MR/PB W/B (планка латунь) Fuaro
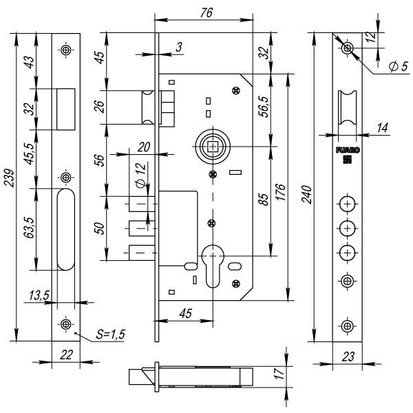
Корпус врезного замка Fuaro 900-3MR W/B цилиндровый с тремя ригелями.
Врезной замок Fuaro 900 3MR/CP W/B подходит для установки на деревянные входные и межкомнатные двери.
Технические характеристики КЗВ 900 3MR/CP W/B Фуаро: Трехригельный, цилиндровый с защелкй под ручку; Вылет ригеля 20 мм. Диаметр ригелей 12 мм. Межосевое расстояние 85 мм. Бэксет 45 мм. Ширина лицевой планки 23 мм. Цвет лицевого планки золото. Универсальная защелка, замок устанавливается на двери правого и левого открывания.
В комплектацию входят: ответная планка, винт для евроцилиндра 70 мм. Производитель: Fuaro, Китай. Вес 1 шт. 781 г. Гарантия от призводителя при условии соблюдения правил установки и эксплуатации 1 год.
Аналогом Fuaro 900-3MR W/B является замок врезной Апекс ЗВ 2600, также выпускается с торцевой планкой в цвете золото.
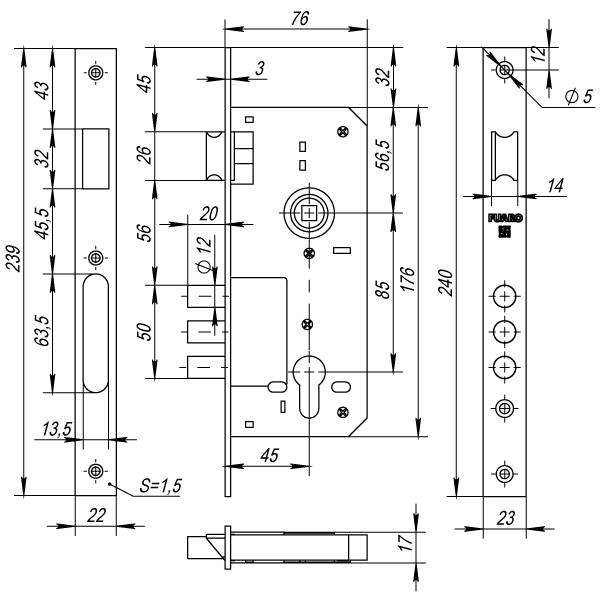
Врезной замок Fuaro 900 3MR/CP W/B подходит для установки на деревянные входные и межкомнатные двери.
Технические характеристики КЗВ 900 3MR/CP W/B Фуаро: Трехригельный, цилиндровый с защелкй под ручку; Вылет ригеля 20 мм. Диаметр ригелей 12 мм. Межосевое расстояние 85 мм. Бэксет 45 мм. Ширина лицевой планки 23 мм. Цвет лицевого планки золото. Универсальная защелка, замок устанавливается на двери правого и левого открывания.
В комплектацию входят: ответная планка, винт для евроцилиндра 70 мм. Производитель: Fuaro, Китай. Вес 1 шт. 781 г. Гарантия от призводителя при условии соблюдения правил установки и эксплуатации 1 год.
Аналогом Fuaro 900-3MR W/B является замок врезной Апекс ЗВ 2600, также выпускается с торцевой планкой в цвете золото.
Действующие скидки
Просмотренные товары






