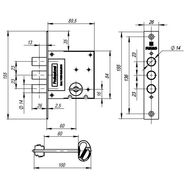
Замок врезной ЗВ V10/S-60.00.3R14 сувальдный 4 кл. Fuaro (Фуаро)
Замок врезной сувальдный Fuaro V10/S-60.00.3R14 с тремя ригелями предназначен для установки во входные и технические металлические двери.
Технические характеристики: Стальной оцинкованный корпус. Универсальная установка, подходит для левых и правых дверей. Бэксет 60 мм. Выход ригелей 26 мм. Открывание 2 полуоборота. Диаметр ригелей 14 мм.
В комплект входят 4 ключа с эргономичной пластиковой головкой для дверей толщиной 40-120мм, крепежная фурнитура.
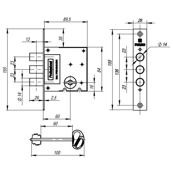
Технические характеристики: Стальной оцинкованный корпус. Универсальная установка, подходит для левых и правых дверей. Бэксет 60 мм. Выход ригелей 26 мм. Открывание 2 полуоборота. Диаметр ригелей 14 мм.
В комплект входят 4 ключа с эргономичной пластиковой головкой для дверей толщиной 40-120мм, крепежная фурнитура.
Действующие скидки
Просмотренные товары


