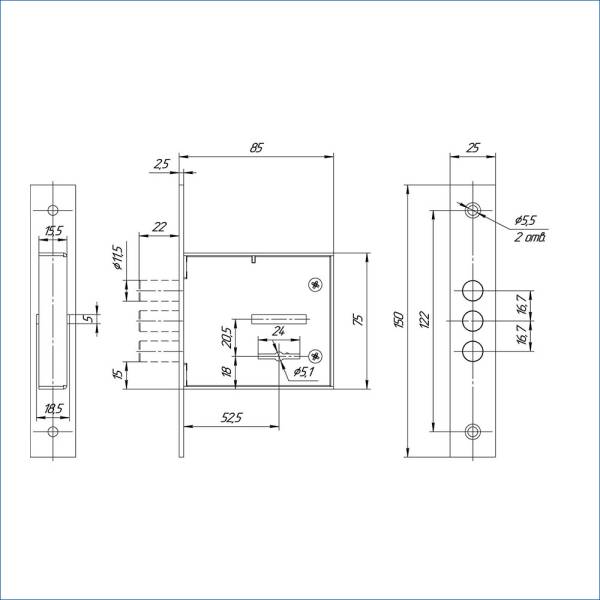
Замок врезной ЗВ8 852.0.0 бэксет 55 мм 5 кл. Меттэм (20)
Врезной сувальдный замок Меттэм без защелки тип ЗВ8 с несъемной лицевой планкой.
Замок ЗВ8 852 Меттэм сертифицирован на соответствие 2-му классу ГОСТ 5089-2011, Р 52582-2006.
Дверные замки ЗВ8 852.0.0 подходят для установки во входные двери, в дверцы металлических шкафов, а также в двери хозяйственных и технических помещений.
Замок имеет одно направление запирания тремя стальными ригелями диаметром 12 мм, которые выдвигаются из корпуса замка на 22 мм.
Замок запирает дверь на два полных полуоборота.
В базовую комплектацию замка входят комплект из трех/пяти ключей (материал ключей латунь, декоративное покрытие ключей никель, длина ключа без учета головки и бородки (Z=48 мм), а также декоративными накладками с круглой шторкой ЗВ8 02.040 (материал нержавеющая сталь, цвет блестящий никель).
Ввиду отсутствия защелки замок ЗВ8 852.0.0 рекомендуется для установки в качестве дополнительного запирающего устройства.
Замок ЗВ8 852.0.0 подходит на замену замка по габаритно-присоединительным размерам Про-Сам и БОРДЕР ЗВ8-8У.
Замок ЗВ8 852 Меттэм сертифицирован на соответствие 2-му классу ГОСТ 5089-2011, Р 52582-2006.
Дверные замки ЗВ8 852.0.0 подходят для установки во входные двери, в дверцы металлических шкафов, а также в двери хозяйственных и технических помещений.
Замок имеет одно направление запирания тремя стальными ригелями диаметром 12 мм, которые выдвигаются из корпуса замка на 22 мм.
Замок запирает дверь на два полных полуоборота.
В базовую комплектацию замка входят комплект из трех/пяти ключей (материал ключей латунь, декоративное покрытие ключей никель, длина ключа без учета головки и бородки (Z=48 мм), а также декоративными накладками с круглой шторкой ЗВ8 02.040 (материал нержавеющая сталь, цвет блестящий никель).
Ввиду отсутствия защелки замок ЗВ8 852.0.0 рекомендуется для установки в качестве дополнительного запирающего устройства.
Замок ЗВ8 852.0.0 подходит на замену замка по габаритно-присоединительным размерам Про-Сам и БОРДЕР ЗВ8-8У.
Действующие скидки
Просмотренные товары


