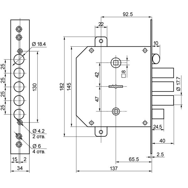
77411 Замок врезной ЗВ 9-6ПК.З/15 без тяг, правый, 5 кл. 102мм BORDER (6)
Замок врезной БОРДЕР 77411 ЗВ 9-6 с защелкой и задвижкой без ручек ПК.З/15 (КЛП-104)ЛПЗ БРП без тяг, 3 ригеля, правый, 5 ключей.
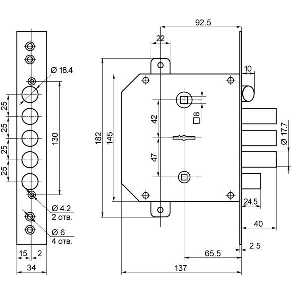
Техническое описание ЗВ 77411 Бордер:
Корпус замка врезной сувальдный;
Механизм секретности сувальдный с двойной бородкой;
Ригели цилиндрические;
Количество ригелей 3;
Вылет ригелей 37,5 мм;
Диаметр ригелей 17,7 мм;
Защелка классическая;
Удаление ключевого отверстия (Backset) 66 мм;
Межосевое 42 мм;
Количество ключей 5 шт;
Материал ключа латунный с пластиковой головкой, длина 102 мм. Рабочая длина 79 мм.
Корпус 77411 Бордер правого открывания;
Дополнительное запирание изнутри задвижкой (на ручке);
Возможность замены механизма секретности отсутствует.
Бордер 77411 не рекомендован для установки в межкомнатные двери; Рекомендован для установки во входные металлические двери.
Все детали выполнены из высокопрочной стали.
Отсутствие в корпусе замка деталей из пластиков и легких сплавов позволяет использовать замок в противопожарных дверях.
На сувальдах изготовлены насечки в виде "ложных пазов", что позволяет повысить охранные свойства замка.
В одном из штырей запрессован закаленный стержень - защита от перепиливания.
Дополнительно можно укомплектовать модель 77411 БОРДЕР ручками с межосевым расстоянием 42 мм.
В нашем магазине широкий выбор формы ручек для замков Бордер.
Аналогом Бордер 77411 9-6ПК.3/15 по посадочным размерам является ЗВ ReX 3.11 и Эльбор ЗВ 1.06.43.
Замок 6-сувальдный врезной 77411 БОРДЕР ЗВ 9-6К 3 класс 4 ГОСТ 5089-2011.
Количество комбинаций 120000;
Замок обладает высокой прочностью и стойкостью к разрушающим способам вскрытия, выдерживает нагрузку не менее 700 кг.
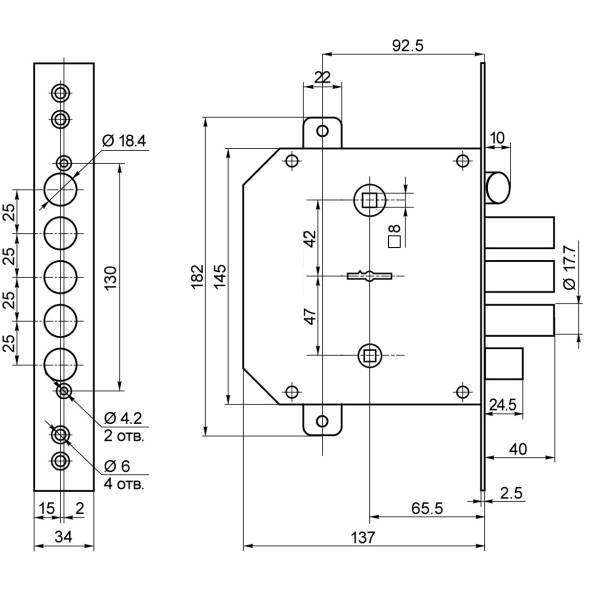
Техническое описание ЗВ 77411 Бордер:
Корпус замка врезной сувальдный;
Механизм секретности сувальдный с двойной бородкой;
Ригели цилиндрические;
Количество ригелей 3;
Вылет ригелей 37,5 мм;
Диаметр ригелей 17,7 мм;
Защелка классическая;
Удаление ключевого отверстия (Backset) 66 мм;
Межосевое 42 мм;
Количество ключей 5 шт;
Материал ключа латунный с пластиковой головкой, длина 102 мм. Рабочая длина 79 мм.
Корпус 77411 Бордер правого открывания;
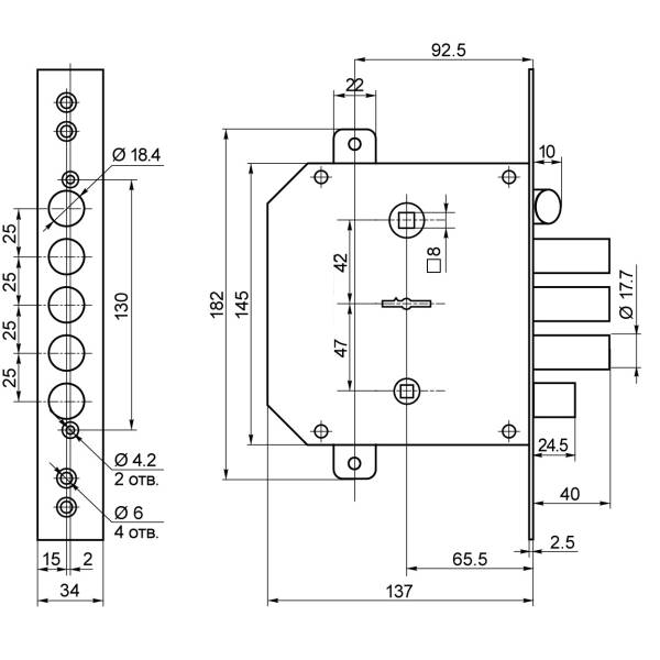
Дополнительное запирание изнутри задвижкой (на ручке);
Возможность замены механизма секретности отсутствует.
Бордер 77411 не рекомендован для установки в межкомнатные двери; Рекомендован для установки во входные металлические двери.
Все детали выполнены из высокопрочной стали.
Отсутствие в корпусе замка деталей из пластиков и легких сплавов позволяет использовать замок в противопожарных дверях.
На сувальдах изготовлены насечки в виде "ложных пазов", что позволяет повысить охранные свойства замка.
В одном из штырей запрессован закаленный стержень - защита от перепиливания.
Дополнительно можно укомплектовать модель 77411 БОРДЕР ручками с межосевым расстоянием 42 мм.
В нашем магазине широкий выбор формы ручек для замков Бордер.
Аналогом Бордер 77411 9-6ПК.3/15 по посадочным размерам является ЗВ ReX 3.11 и Эльбор ЗВ 1.06.43.
Замок 6-сувальдный врезной 77411 БОРДЕР ЗВ 9-6К 3 класс 4 ГОСТ 5089-2011.
Количество комбинаций 120000;
Замок обладает высокой прочностью и стойкостью к разрушающим способам вскрытия, выдерживает нагрузку не менее 700 кг.
Действующие скидки
Просмотренные товары






